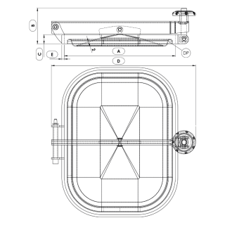
P35-307 (314x424)

  • Właz do proszków i materiałów sypkich
  • Montaż w dachu zbiornika
  • Ciśnienie do 0.3 bar
  • Pokrywa uchylna
  • Jednopunktowy docisk
  • Uszczelka montowana w pokrywie
  • Materiał uszczelki: EPDM, neopren, silikon (również HT - high temperature), NBR, Viton i inne
  • Opcja: ATEX (wymaga indywidualnych uzgodnień)

Прямокутний люк з нержавіючої сталі Boyer серія P35-307

Серія включає моделі: P35-307

Прямокутний люк Boyer P35-307 із компактною та міцною конструкцією розроблений спеціально для роботи з порошками та іншими сипкими матеріалами. Своє основне застосування знаходить у силосах і камерах, призначених для зберігання всіх типів порошкоподібних і сипких продуктів. Відкидну кришку оснащують одним притиском і дужкою, що полегшує її піднімання. Внутрішня конструкція люка мінімізує осідання порошків.

 

Елементи конструкції люка виготовляють з нержавіючої сталі марок AISI 304L або AISI 316L. Прямокутний люк Boyer P35-307 найчастіше монтують у резервуарах та технологічному обладнанні, що використовується в фармацевтичній, біотехнологічній та споріднених галузях промисловості.

Прямокутні люки P35-307 - застосування

Прямокутні люки серії P35-307 монтують у різноманітних безтискових резервуарах, силосах і технологічному обладнанні. Основні сфери застосування цього люка:

  • виробництво порошків і сипких матеріалів,
  • хімічна промисловість,
  • фармацевтична та біотехнологічна промисловість, 
  • виробництво косметики, харчових добавок тощо.

Завдяки універсальній конструкції та широкому вибору доступних матеріалів ущільнень цей люк можна застосовувати також у таких галузях: 

  • харчова та молочна промисловість,
  • виробництво напоїв і алкоголю,
  • переробка овочів і фруктів.

Про продукцію Boyer

Продукція французького заводу Boyer гарантує найвищу якість виконання та тривалий термін служби. Увага до кожної деталі на всіх етапах виробництва забезпечує, що ці люки вирізняються винятковою міцністю, зручністю експлуатації та привабливим зовнішнім виглядом.

 

Вони чудово підходять для всіх об’єктів, де потрібне обладнання з найвищими стандартами. Саме тому люки торгової марки Boyer належать до найпопулярніших у Європі.

Модель A [mm] C [mm] E [mm] B [mm] D [mm] Макс. [бар] Маса [кг]
P35-307 314x424 30 8 74 483 +0.3/-0.5 9.0

 

Parametry techniczne

Seria produktowaBoyer
WymiarM (dłuższy bok włazu między 300-500 mm)
KształtWłazy prostokątne
TypBezciśnieniowe
Wysokość kołnierza (w mm)30 mm
Grubość ścianki kołnierza (w mm)8.0 mm
Sposób otwieraniaNa zewnątrz
Sposób montażuw dachu zbiornika
Ciśnienieponiżej 0.5 bar
Podciśnieniedo -0.5 bar
Certyfikat PEDnie
Rodzaj staliAISI 304/304L, AISI 316/316L
Materiał uszczelnieniaEPDM, NBR, Neopren, Silikon, Silikon (high temperature - do 250°C), Viton, Inny
Materiał pokrętłaINOX, Inny

Używamy cookies

Używamy plików cookies aby ułatwić Ci korzystanie z naszych stron www, do celów statystycznych oraz reklamowych. Jeśli nie blokujesz tych plików, to zgadzasz się na ich użycie oraz zapisanie w pamięci Twojego urządzenia. Pamiętaj, że możesz samodzielnie zmienić ustawienia przeglądarki tak, aby zablokować zapisywanie plików cookies. Więcej informacji znajdziesz w naszej polityce prywatności.
skontaktuj się z nami