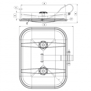
P13-409 (410x534)

  • Montaż w poszyciu bocznym zbiornika
  • Ciśnienie do 1.0 bar
  • Właz w wersji poziomej lub pionowej
  • Pokrywa otwierana do wewnątrz
  • Podwójny docisk
  • Uszczelka montowana w pokrywie
  • Materiał uszczelki: EPDM, neopren, silikon (również HT - high temperature), NBR, Viton i inne
  • Wersja specjalna: ATEX (wymaga indywidualnych uzgodnień)
  • Opcje wykończenia powierzchni: standard / poler / elektropolerowanie

Прямокутний люк з нержавіючої сталі Boyer серія P13-409

Прямокутний люк Boyer серія P13-409 з нержавіючої сталі виготовляється у двох варіантах:

  • вертикальному (P13-409),
  • горизонтальному (P13-410).

Ця модель призначена для монтажу в різноманітних резервуарах тискових та процесових установках. Кришка люка закріплена на спеціально сформованому зовнішньому шарнірі. Подвійний притиск забезпечує краще ущільнення кришки. Шарнір дає змогу відкривати кришку у бік внутрішнього простору резервуара, а також фіксує її у відкритому положенні.

 

Моделі P13-409 і P13-410 вмонтовуються у бічну обшивку резервуарів. Основні конструктивні елементи люка виготовляються з нержавіючої сталі AISI 316L.

 

Прямокутні люки з нержавіючої сталі Boyer P13-409 і P13-410 успішно застосовуються в усіх типах установок, де необхідно забезпечити високий рівень гігієни та/або підвищену стійкість до корозії. Можливе виконання спеціальної версії люка для використання у вибухонебезпечних зонах – ATEX для неелектричних пристроїв.

Прямокутний люк P13-409 - застосування

Прямокутні люки Boyer P13-409 монтуються в різного типу тискових резервуарах і процесових установках. Основні області застосування цієї моделі люка:

  • харчова промисловість і молочна промисловість,
  • виробництво напоїв та алкогольних продуктів,
  • переробка овочів і фруктів.

Завдяки своїй універсальній конструкції та широкому вибору доступних матеріалів ущільнень цей люк може використовуватися також у таких сферах: 

  • біотехнологія, 
  • хімічна та нафтопереробна промисловість, 
  • косметична промисловість та суміжні галузі.

Про продукцію Boyer

Продукція французького заводу Boyer гарантує найвищу якість виготовлення та тривалий термін служби. Увага до кожної деталі виробничого процесу забезпечує, що ці люки відзначаються винятковою міцністю, зручністю експлуатації та естетичним зовнішнім виглядом.

 

Вони чудово підходять для застосування всюди, де потрібні вироби з найвищими стандартами. Саме тому люки торгової марки Boyer є одними з найпопулярніших у Європі.

Модель A [mm] C [mm] E [mm] B [mm] D [mm] Макс. [бар] Маса [кг]
P13-409 410x534 60 8 141 530 1.0 16.0
P13-410 534x410 60 8 155 613 1.0 13.0

 

Parametry techniczne

Seria produktowaBoyer
WymiarL (dłuższy bok włazu między 501-700 mm)
KształtWłazy prostokątne
TypCiśnieniowe
Wysokość kołnierza (w mm)60 mm
Grubość ścianki kołnierza (w mm)8.0 mm
Sposób otwieraniaDo wewnątrz
Sposób montażuw poszyciu (na boku) zbiornika
Ciśnienie0.5 - 2.5 bar
Podciśnienienie dotyczy
Certyfikat PEDnie
Rodzaj staliAISI 316/316L
Materiał uszczelnieniaEPDM, NBR, Neopren, Silikon, Silikon (high temperature - do 250°C), Viton, Inny
Materiał pokrętłaTworzywo sztuczne, INOX, Inny

Używamy cookies

Używamy plików cookies aby ułatwić Ci korzystanie z naszych stron www, do celów statystycznych oraz reklamowych. Jeśli nie blokujesz tych plików, to zgadzasz się na ich użycie oraz zapisanie w pamięci Twojego urządzenia. Pamiętaj, że możesz samodzielnie zmienić ustawienia przeglądarki tak, aby zablokować zapisywanie plików cookies. Więcej informacji znajdziesz w naszej polityce prywatności.
skontaktuj się z nami