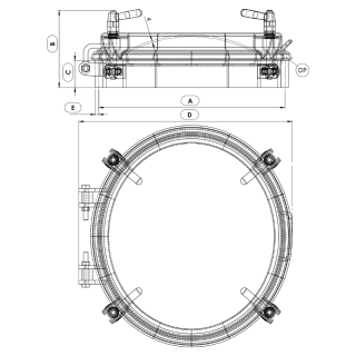
P21-147 (411x455)

  • Montaż w dachu lub poszyciu bocznym zbiornika
  • Ciśnienie do 4.5 bar (w zależności od wersji)
  • Właz w wersji poziomej lub pionowej
  • Pokrywa wypukła otwierana na zewnątrz
  • Wielopunktowy docisk, podwójny zawias
  • Uszczelka montowana w pokrywie
  • Materiał uszczelki: EPDM, neopren, silikon (również HT - high temperature), NBR, Viton i inne
  • Wersja specjalna: ATEX (wymaga indywidualnych uzgodnień)
  • Opcje wykończenia powierzchni: standard / poler / elektropolerowanie

Овальний люк з нержавіючої сталі Boyer серія P21-147

Серія охоплює моделі: P21-147, P21-167, P21-148, P21-168

Овальний люк Boyer серії P21-147 призначений для монтажу в резервуарах тискових. Випускається у чотирьох виконаннях:

  • вертикальному (P21-147, P21-167),
  • горизонтальному (P21-148, P21-168).

Відкидну кришку люка у відкритому положенні утримують два міцні зовнішні завіси. Багатоточковий притиск забезпечує належну герметичність вузла. Овальні люки Boyer цієї серії особливо добре підходять для застосування там, де необхідне часте миття або промивання резервуарів. Випукла кришка не затримує воду й забезпечує її швидке стікання. Добираючи люк для конкретного застосування, слід враховувати параметри матеріалів і компонентів, використаних для його виготовлення.

 

Складові елементи люків виготовляються з нержавіючих сталей марок AISI 304L та/або AISI 316L. Можливе виконання спеціальної версії люка для експлуатації в зонах вибухонебезпечних - ATEX для неелектричного обладнання.

Овальні люки серія P21-147 - застосування

Овальні тискові люки серії P21-147 монтуються в резервуарах та технологічному обладнанні. Основні області застосування цих люків:

  • харчова та молочна промисловість,
  • виробництво напоїв і алкоголю,
  • переробка овочів і фруктів.

Завдяки універсальній конструкції та широкому вибору доступних матеріалів ущільнень цей люк може також застосовуватися в галузях: 

  • біотехнології, 
  • хімічної промисловості, 
  • косметичної промисловості та суміжних. 

Про продукти Boyer

Продукція французького заводу Boyer гарантує найвищу якість виготовлення та тривалий строк служби. Увага до кожної деталі в процесі виробництва забезпечує, що в результаті ці люки вирізняються надзвичайною міцністю, зручністю експлуатації та естетичним виглядом.

 

Вони чудово підходять для всіх випадків, коли потрібне застосування продукту з найвищими стандартами. Саме тому люки марки Boyer належать до найпопулярніших у Європі.

Модель A [mm] C [mm] E [mm] B [mm] D [mm] Ручки Макс. [бар]

CODAP/PED

[bar]

Вага

[kg]

P21-147 411x455 60 8 155 477 4 3.0/-0.9 2.0 17.0
P21-167 411x455 60 8 155 471 6 4.5/-0.9 3.0 18.0
P21-148 455x411 60 8 155 520 4 3.0/-0.9 2.0 17.0
P21-168 455x411 60 8 155 540 6 4.5/-0.9 3.0 18.0

 

Parametry techniczne

Seria produktowaBoyer
WymiarM (dłuższy bok włazu między 300-500 mm)
KształtWłazy owalne
TypCiśnieniowe
Wysokość kołnierza (w mm)60 mm
Grubość ścianki kołnierza (w mm)8.0 mm
Sposób otwieraniaNa zewnątrz
Sposób montażuw dachu zbiornika, w poszyciu (na boku) zbiornika
Ciśnienie0.5 - 2.5 bar, 2.51 - 4.5 bar
Podciśnienieod -0.51 do -1.0 bar
Certyfikat PEDtak
Rodzaj staliAISI 304/304L, AISI 316/316L
Materiał uszczelnieniaEPDM, NBR, Neopren, Silikon, Silikon (high temperature - do 250°C), Viton, Inny
Materiał pokrętłaINOX

Używamy cookies

Używamy plików cookies aby ułatwić Ci korzystanie z naszych stron www, do celów statystycznych oraz reklamowych. Jeśli nie blokujesz tych plików, to zgadzasz się na ich użycie oraz zapisanie w pamięci Twojego urządzenia. Pamiętaj, że możesz samodzielnie zmienić ustawienia przeglądarki tak, aby zablokować zapisywanie plików cookies. Więcej informacji znajdziesz w naszej polityce prywatności.
skontaktuj się z nami