P11-608 (600x800)

  • Montaż w poszyciu bocznym zbiornika
  • Ciśnienie do 1.0 bar
  • Pokrywa otwierana do wewnątrz
  • Uszczelka montowana w pokrywie
  • Materiał uszczelki: EPDM, neopren, silikon (również HT - high temperature), NBR, Viton i inne
  • Opcje wykończenia powierzchni: standard, poler, elektropolerowanie
  • Wersja specjalna: ATEX (wymaga indywidualnych uzgodnień)

Овальний люк з нержавіючої сталі Boyer P11-608

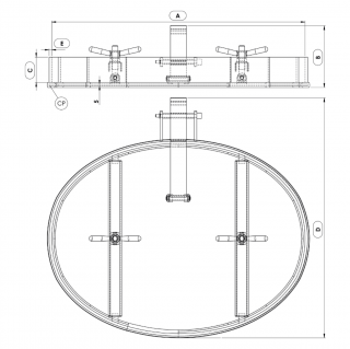
Овальний люк Boyer P11-608 — це дуже велика модель, призначена для монтажу в резервуарах тискових та реакторах. Кришку люка оснащено подвійним притиском і міцним зовнішнім шарніром, який стабілізує кришку під час відкривання/закривання люка. Конструкція дає змогу відкривати кришку у бік внутрішнього простору резервуара. Складові елементи люків виготовляють із нержавіючої сталі марок AISI 304L і/або AISI 316L.

 

Можливе виконання спеціальної версії люка для використання в зонах з небезпекою вибуху — ATEX для неелектричних пристроїв.

Овальний люк P11-608 – застосування

Овальний люк P11-608 монтують в автоклавах і гігієнічному процесному обладнанні. Основні сфери застосування цієї моделі люка:

  • харчова та молочна промисловість,
  • виробництво напоїв та алкогольної продукції,
  • переробка овочів і фруктів.

Завдяки універсальній конструкції та широкому вибору доступних матеріалів ущільнень цей люк можна використовувати також у таких галузях: 

  • біотехнологія, 
  • хімічна промисловість, 
  • косметична промисловість та споріднені напрями. 

Про продукцію Boyer

Продукція французького заводу Boyer гарантує найвищу якість виконання та тривалий термін служби. Увага до кожної деталі у виробничому процесі забезпечує, що ці люки відзначаються надзвичайно високою міцністю, зручністю експлуатації та привабливим зовнішнім виглядом.

 

Вони ідеально підходять усюди, де потрібне обладнання з найвищими стандартами. Саме тому люки бренду Boyer належать до найпопулярніших у Європі.

Модель A [мм] C [мм] E [мм] B [мм] D [мм] Макс. [бар] Вага [кг]
P11-608 600x800 80 8 143 742 1.0 51.0

 

Parametry techniczne

Seria produktowaBoyer
WymiarXL (dłuższy bok włazu powyżej 700 mm)
KształtWłazy owalne
TypCiśnieniowe
Wysokość kołnierza (w mm)80 mm
Grubość ścianki kołnierza (w mm)8.0 mm
Sposób otwieraniaDo wewnątrz
Sposób montażuw poszyciu (na boku) zbiornika
Ciśnienie0.5 - 2.5 bar
Podciśnienienie dotyczy
Certyfikat PEDnie
Rodzaj staliAISI 304/304L, AISI 316/316L
Materiał uszczelnieniaEPDM, NBR, Neopren, Silikon, Silikon (high temperature - do 250°C), Viton, Inny
Materiał pokrętłaINOX

Używamy cookies

Używamy plików cookies aby ułatwić Ci korzystanie z naszych stron www, do celów statystycznych oraz reklamowych. Jeśli nie blokujesz tych plików, to zgadzasz się na ich użycie oraz zapisanie w pamięci Twojego urządzenia. Pamiętaj, że możesz samodzielnie zmienić ustawienia przeglądarki tak, aby zablokować zapisywanie plików cookies. Więcej informacji znajdziesz w naszej polityce prywatności.
skontaktuj się z nami