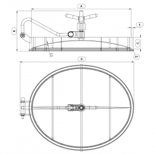
P11-410-510 (410x510)

  • Montaż w poszyciu bocznym zbiornika
  • Ciśnienie do 2.2 bar
  • Pokrywa otwierana do wewnątrz
  • Uszczelka montowana w pokrywie
  • Materiał uszczelki: EPDM, neopren, silikon (również HT - high temperature), NBR, Viton i inne
  • Opcje wykończenia powierzchni: standard, poler, elektropolerowanie
  • Wersja specjalna: ATEX (wymaga indywidualnych uzgodnień)

Овальний люк з нержавіючої сталі Boyer P11-410-510

Овальний люк P11-410-510 — це великий люк для роботи під тиском, який відкривається всередину. Кришка люка P11-410-510 оснащується міцною ручкою та завісою, завдяки чому відкривання є простим і безпечним. Завіса додатково стабілізує відкриту кришку, що в підсумку полегшує всі роботи, пов’язані з поточним обслуговуванням.

 

Цю модель монтують у бічній обшивці резервуарів високого тиску з нержавіючої та кислотостійкої сталі. 

 

Підбираючи люк для конкретного застосування, слід обов’язково враховувати параметри матеріалів і компонентів, використаних у його конструкції.

Овальний люк P11-410-510 - застосування

Овальний люк P11-410-510 встановлюють в автоклавах і гігієнічному процесному обладнанні. Основні області застосування цієї моделі люка:

  • харчова та молочна промисловість,
  • виробництво напоїв і алкогольної продукції,
  • переробка овочів і фруктів.

Завдяки універсальній конструкції та широкому вибору доступних матеріалів ущільнень цей люк може застосовуватися також у таких галузях: 

  • біотехнологія, 
  • хімічна промисловість, 
  • косметична промисловість та споріднені напрями. 

Про продукцію Boyer

Продукція французького заводу Boyer гарантовано відзначається найвищою якістю виготовлення та тривалим терміном служби. Увага до кожної деталі в процесі виробництва забезпечує, що в підсумку ці люки мають виняткову міцність, зручні в експлуатації та вирізняються естетичним виглядом.

 

Вони чудово підходять скрізь, де потрібне використання виробу з найвищими стандартами. Саме тому люки бренду Boyer є одними з найпопулярніших у Європі.

Модель A [мм] C [мм] E [мм] B [мм] D [мм] Макс. [бар] CODAP/PED [bar] Вага [кг]
P11-410-510 410x510 60 10 192 577 2.2 1.2 19.0

 

Parametry techniczne

Seria produktowaBoyer
WymiarL (dłuższy bok włazu między 501-700 mm)
KształtWłazy owalne
TypCiśnieniowe
Wysokość kołnierza (w mm)60 mm
Grubość ścianki kołnierza (w mm)10.0 mm
Sposób otwieraniaDo wewnątrz
Sposób montażuw poszyciu (na boku) zbiornika
Ciśnienie0.5 - 2.5 bar
Podciśnienienie dotyczy
Certyfikat PEDtak
Rodzaj staliAISI 304/304L, AISI 316/316L
Materiał uszczelnieniaEPDM, NBR, Neopren, Silikon, Silikon (high temperature - do 250°C), Viton, Inny
Materiał pokrętłaINOX

Używamy cookies

Używamy plików cookies aby ułatwić Ci korzystanie z naszych stron www, do celów statystycznych oraz reklamowych. Jeśli nie blokujesz tych plików, to zgadzasz się na ich użycie oraz zapisanie w pamięci Twojego urządzenia. Pamiętaj, że możesz samodzielnie zmienić ustawienia przeglądarki tak, aby zablokować zapisywanie plików cookies. Więcej informacji znajdziesz w naszej polityce prywatności.
skontaktuj się z nami