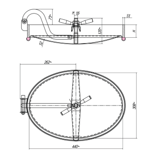
E128TS (440x308)

  • Ciśnienie do 3.0 bar
  • Montaż w bocznym poszyciu zbiornika ciśnieniowego
  • Otwierany do wewnątrz
  • Opcja odchylenia pokrywy na zewnątrz po otwarciu

Овальний люк з нержавіючої сталі E128TS – характеристика

Люк овалний з нержавіючої сталі E128TS призначений для монтажу у бічній обшивці резервуара. Важливо, що кришка люка відкривається в бік внутрішньої частини резервуара, завдяки чому після закриття люка та наповнення резервуара тиск рідини сприяє його ущільненню.

 

Варто звернути увагу на спеціальні кріплення кришки на виносній консолі, які дозволяють повертати її та за потреби виймати назовні резервуара. Це безумовна перевага, яку оцінять сервісні працівники під час мийки.

 

Порівняно велика ширина отвору, що утворюється після відкриття кришки люка, дає змогу потрапити всередину резервуара під час сервісних робіт, а також під час огляду резервуара.

Застосування овального люка E128TS

Еліптичний люк типу E128TS застосовується в широкому діапазоні резервуарів з нержавіючої сталі, що безперечно робить його надзвичайно корисним у галузях промисловості, зокрема:

  • харчовій,
  • молочній,
  • виробництва напоїв і концентратів,
  • косметичній,
  • хімічній та біотехнологічній.

Крім того, люк типу E128TS успішно використовують у пивоваренні, винокурінні, а також у будь-яких застосуваннях, де необхідно забезпечити високий рівень гігієни та/або підвищену стійкість до корозії.

 

Підбираючи люк до конкретного робочого середовища, завжди слід враховувати властивості матеріалів і компонентів, використаних для його виготовлення.

Модель H [mm] S1 [mm] S2 [mm] Макс. [бар]
E128/TS 60 8 2 3.0
E128TS/A 80 8 2 3.0
E128TS/X 60 6 2 3.0
E128TS/X/A 80 6 2 3.0

 

Parametry techniczne

Seria produktowaSeria E
WymiarM (dłuższy bok włazu między 300-500 mm)
KształtWłazy owalne
TypCiśnieniowe
Wysokość kołnierza (w mm)60-80 mm
Grubość ścianki kołnierza (w mm)6.0-8.0 mm
Sposób otwieraniaDo wewnątrz
BranżaChemia, Mleczarstwo, Produkcja spożywcza, Winiarstwo
Sposób montażuw poszyciu (na boku) zbiornika
Ciśnienie2.51 - 4.5 bar
Podciśnienienie dotyczy
Certyfikat PEDnie
Rodzaj staliAISI 304/304L, AISI 316/316L
Materiał uszczelnieniaEPDM, Silikon
Materiał pokrętłaINOX

Używamy cookies

Używamy plików cookies aby ułatwić Ci korzystanie z naszych stron www, do celów statystycznych oraz reklamowych. Jeśli nie blokujesz tych plików, to zgadzasz się na ich użycie oraz zapisanie w pamięci Twojego urządzenia. Pamiętaj, że możesz samodzielnie zmienić ustawienia przeglądarki tak, aby zablokować zapisywanie plików cookies. Więcej informacji znajdziesz w naszej polityce prywatności.
skontaktuj się z nami