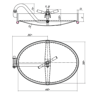
E128T (440x308)

  • Ciśnienie do 3.0 bar
  • Montaż w bocznym poszyciu zbiornika ciśnieniowego
  • Otwierany do wewnątrz

Овальний люк з нержавіючої сталі E128T

Овальний люк z нержавіючої сталі E128T призначений для монтажу у бічній обшивці резервуарів тискових. Високоякісні матеріали, застосовані під час виготовлення люка, а також міцна конструкція забезпечують тривалий термін служби. Ця модель відкривається всередину резервуара. Завіса, а також опорне плече забезпечують надійне утримання кришки у відкритому положенні.

Застосування овального люка E128T

Еліптичний люк типу E128T встановлюють у резервуари з нержавіючої сталі, які використовуються, зокрема, у галузях промисловості:

  • харчовій,
  • молочній,
  • виробництва напоїв і концентратів,
  • косметичній,
  • хімічній та біотехнологічній.

Крім того, люк цього типу успішно застосовується у пивоварінні, лікеро-горілчаному виробництві, а також в багатьох інших процесах, де необхідно забезпечити високий рівень гігієни та/або підвищену стійкість до корозії.

 

Добираючи люк до конкретних умов експлуатації, завжди слід враховувати властивості матеріалів і компонентів, використаних у його конструкції.

Модель H [mm] S1 [mm] S2 [mm] Макс. [бар]
E128/T 60 8 2 3.0
E128T/A 80 8 2 3.0
E128T/X 60 6 2 3.0
E128T/X/A 80 6 2 3.0

 

Parametry techniczne

Seria produktowaSeria E
WymiarM (dłuższy bok włazu między 300-500 mm)
KształtWłazy owalne
TypCiśnieniowe
Wysokość kołnierza (w mm)60-80 mm
Grubość ścianki kołnierza (w mm)6.0-8.0 mm
Sposób otwieraniaDo wewnątrz
BranżaChemia, Mleczarstwo, Produkcja spożywcza, Winiarstwo
Sposób montażuw poszyciu (na boku) zbiornika
Ciśnienie2.51 - 4.5 bar
Podciśnienienie dotyczy
Certyfikat PEDnie
Rodzaj staliAISI 304/304L, AISI 316/316L
Materiał uszczelnieniaEPDM, Silikon
Materiał pokrętłaINOX

Używamy cookies

Używamy plików cookies aby ułatwić Ci korzystanie z naszych stron www, do celów statystycznych oraz reklamowych. Jeśli nie blokujesz tych plików, to zgadzasz się na ich użycie oraz zapisanie w pamięci Twojego urządzenia. Pamiętaj, że możesz samodzielnie zmienić ustawienia przeglądarki tak, aby zablokować zapisywanie plików cookies. Więcej informacji znajdziesz w naszej polityce prywatności.
skontaktuj się z nami