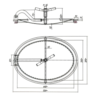
E128RS (440x308)

  • Ciśnienie do 2.0 bar
  • Montaż w bocznym poszyciu zbiornika ciśnieniowego
  • Doginany do krzywizny zbiornika
  • Otwierany do wewnątrz
  • Zawias zewnętrzny

Овальний люк з нержавіючої сталі E128RS

Овальний люк з нержавіючої сталі E128RS – це напірний люк, який відкривається всередину резервуара. Цю модель монтують у бічній стінці резервуара з нержавіючої сталі. Для такої конструкції вкрай важливо ще до запуску у виробництво люка точно визначити діаметр резервуара, в який він буде вмонтований. До того ж, з огляду на те, що модель E128RS вигинається точно під діаметр конкретного резервуара, корекція кривизни після завершення виробництва неможлива.

Овальний люк E128RS – застосування

Природним середовищем роботи для люка E128RS є резервуари, що використовуються в пивоварінні. Безумовно, він чудово зарекомендує себе також у різноманітних галузях харчової промисловості, молочній промисловості, виробництві напоїв і у горілчаній промисловості. Аналогічна ситуація і з косметичною, хімічною та біотехнологічною промисловістю. Крім того, люк типу E128RS успішно застосовують у будь-яких установках, де потрібне підтримання високого рівня гігієни та/або підвищеної стійкості до корозії.

 

Підбираючи люк до конкретного застосування, слід пам’ятати про необхідність ретельно проаналізувати майбутнє робоче середовище. Уважне порівняння властивостей матеріалів, використаних у конструкції люка, з даними, отриманими під час аналізу середовища роботи, в підсумку забезпечить правильний вибір. Як відомо, це матиме значний вплив на тривалу й безвідмовну роботу люка, вже змонтованого в резервуарі.

Модель H [мм] S1 [мм] S2 [мм] Макс. [бар]
E128RS 10 30 2 2.0

 

Parametry techniczne

Seria produktowaSeria E
WymiarM (dłuższy bok włazu między 300-500 mm)
KształtWłazy owalne
TypCiśnieniowe
Wysokość kołnierza (w mm)10 mm
Grubość ścianki kołnierza (w mm)30.0 mm
Sposób otwieraniaDo wewnątrz
BranżaBrowarnictwo, Chemia, Mleczarstwo, Produkcja spożywcza, Winiarstwo
Sposób montażuw poszyciu (na boku) zbiornika
Ciśnienie0.5 - 2.5 bar
Podciśnienienie dotyczy
Certyfikat PEDnie
Rodzaj staliAISI 304/304L, AISI 316/316L
Materiał uszczelnieniaEPDM, Silikon
Materiał pokrętłaINOX

Używamy cookies

Używamy plików cookies aby ułatwić Ci korzystanie z naszych stron www, do celów statystycznych oraz reklamowych. Jeśli nie blokujesz tych plików, to zgadzasz się na ich użycie oraz zapisanie w pamięci Twojego urządzenia. Pamiętaj, że możesz samodzielnie zmienić ustawienia przeglądarki tak, aby zablokować zapisywanie plików cookies. Więcej informacji znajdziesz w naszej polityce prywatności.
skontaktuj się z nami