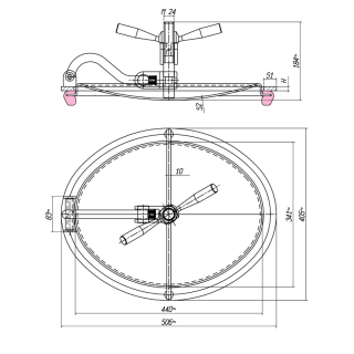
E126RS (440x340)

  • Ciśnienie do 3.0 bar (w zależności od wersji)
  • Montaż w bocznym poszyciu zbiornika ciśnieniowego
  • Doginany do krzywizny zbiornika
  • Otwierany do wewnątrz
  • Zawias zewnętrzny

Овальний люк з нержавіючої сталі E126RS

Овальний люк з нержавіючої сталі E126RS — це розрахований на тиск люк, який відчиняється всередину резервуара. Цю модель монтують у бічній обшивці резервуара з нержавіючої сталі. Для такої конструкції надзвичайно важливо ще перед запуском у виробництво люка точно визначити діаметр резервуара, в якому він буде встановлений. Крім того, з огляду на те, що модель E126RS гнеться точно відповідно до діаметра конкретного резервуара, корекція вигину після завершення виробництва неможлива.

Овальний люк E126RS - zastosowanie

Природним середовищем роботи люка E126RS є пивоварні резервуари. Водночас він чудово проявляє себе й в інших типах резервуарів, які використовуються в різних галузях харчової промисловості, молочній промисловості, виробництві напоїв і спиртовій промисловості. Аналогічна ситуація і в косметичній, хімічній та біотехнологічній промисловості. Крім того, люк типу E126RS успішно застосовують у будь-яких установках, де необхідно забезпечити високу гігієнічність і/або підвищену корозійну стійкість.

 

Підбираючи люк під конкретне застосування, слід пам’ятати про необхідність ретельно проаналізувати майбутні умови його експлуатації. Докладений до цього аналізу зусилля безумовно дозволить правильно обрати марку нержавіючої сталі та матеріал ущільнення. У результаті ми отримаємо перевагу у вигляді тривалої та безвідмовної роботи люка, змонтованого в резервуарі.

Модель H [mm] S1 [mm] S2 [mm] Макс. [bar]
E126RS 10 30 2.5 2.0

 

Parametry techniczne

Seria produktowaSeria E
WymiarM (dłuższy bok włazu między 300-500 mm)
KształtWłazy owalne
TypCiśnieniowe
Wysokość kołnierza (w mm)10 mm
Grubość ścianki kołnierza (w mm)30.0 mm
Sposób otwieraniaDo wewnątrz
BranżaBrowarnictwo, Chemia, Mleczarstwo, Produkcja spożywcza, Winiarstwo
Sposób montażuw poszyciu (na boku) zbiornika
Ciśnienie0.5 - 2.5 bar, 2.51 - 4.5 bar
Podciśnienienie dotyczy
Certyfikat PEDnie
Rodzaj staliAISI 304/304L, AISI 316/316L
Materiał uszczelnieniaEPDM, Silikon
Materiał pokrętłaINOX

Używamy cookies

Używamy plików cookies aby ułatwić Ci korzystanie z naszych stron www, do celów statystycznych oraz reklamowych. Jeśli nie blokujesz tych plików, to zgadzasz się na ich użycie oraz zapisanie w pamięci Twojego urządzenia. Pamiętaj, że możesz samodzielnie zmienić ustawienia przeglądarki tak, aby zablokować zapisywanie plików cookies. Więcej informacji znajdziesz w naszej polityce prywatności.
skontaktuj się z nami