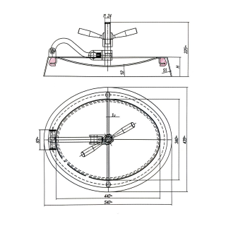
E126/1 (440x340)

  • Wymiary w świetle otworu: 440x340 mm
  • Wymiary zewnętrzne: 540x439 mm
  • Ciśnienie 2.0 bar lub 3.0 bar (w zależności od wersji)
  • Montaż na bocznym poszyciu zbiornika
  • Właz otwierany do wewnątrz
  • Zawias zewnętrzny

Овальний люк з нержавіючої сталі E126/1

Люк овалний з нержавіючої сталі E126/1 монтується на зовнішній обшивці резервуарів тиску. Відкривається всередину резервуара. Природним середовищем роботи для цієї моделі є резервуари, призначені для зберігання харчових продуктів. Саме тому основною сферою його застосування є резервуари, що використовуються в харчовій промисловості з виробництва продуктів і напоїв, а також молочні резервуари та багато інших. Переробка овочів і фруктів – ще одна галузь, де овальний люк цього типу чудово виконує свої функції. 

Характеристика овального люка E126/1

Ширина овального люка E126/1 забезпечує достатньо зручний доступ до внутрішнього простору резервуара під час сервісних робіт або інспекційних заходів. Цю модель з успіхом застосовують також у косметичній, біотехнологічній та хімічній промисловості. Загалом немає обмежень для її використання в будь-яких видах застосувань, де необхідно забезпечити високий рівень гігієни та/або підвищену корозійну стійкість.

 

Підбираючи люк до конкретного застосування, завжди слід враховувати параметри та властивості матеріалів і компонентів, використаних у його конструкції.

Модель H [мм] S1 [мм] S2 [мм] Макс. [бар]
E126/1 80 3 2.5 2.0
E126/1/A 80 4 2.5 2.0
E126/1/X 80 4 4 3.0

 

Parametry techniczne

Seria produktowaSeria E
WymiarM (dłuższy bok włazu między 300-500 mm)
KształtWłazy owalne
TypCiśnieniowe
Wysokość kołnierza (w mm)80 mm
Grubość ścianki kołnierza (w mm)3.0-4.0 mm
Sposób otwieraniaDo wewnątrz
Sposób montażuw poszyciu (na boku) zbiornika
Ciśnienie0.5 - 2.5 bar, 2.51 - 4.5 bar
Podciśnienienie dotyczy
Certyfikat PEDnie
Rodzaj staliAISI 304/304L, AISI 316/316L
Materiał uszczelnieniaEPDM, Silikon
Materiał pokrętłaINOX

Używamy cookies

Używamy plików cookies aby ułatwić Ci korzystanie z naszych stron www, do celów statystycznych oraz reklamowych. Jeśli nie blokujesz tych plików, to zgadzasz się na ich użycie oraz zapisanie w pamięci Twojego urządzenia. Pamiętaj, że możesz samodzielnie zmienić ustawienia przeglądarki tak, aby zablokować zapisywanie plików cookies. Więcej informacji znajdziesz w naszej polityce prywatności.
skontaktuj się z nami