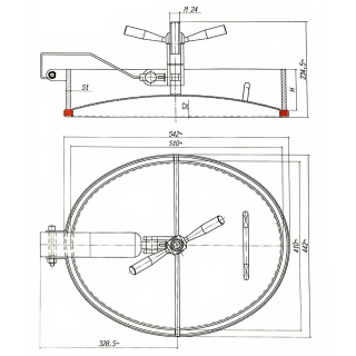
E125 (410x510)

  • Ciśnienie do 2.0 bar
  • Montaż w bocznym poszyciu zbiornika ciśnieniowego
  • Otwierany do wewnątrz
  • Wykonany ze stali nierdzewnej AISI 304L lub AISI 316L
  • Materiał uszczelki: EPDM, silikon, NBR lub Viton
  • Grubość ścianki kołnierza: 10 mm

Люк овальний з нержавіючої сталі E125

Люк овальний з нержавіючої сталі E125 – це модель, яку монтують у бічній обшивці резервуара. Важливо, що кришка люка відкривається у бік внутрішньої частини резервуара, завдяки чому після закриття люка та наповнення резервуара тиск рідини додатково сприяє його ущільненню.

 

Кришка люка змонтована на зовнішньому важелі, обладнаному міцним шарніром, який гарантує безпечне відкривання та закривання люка. А відносно велика ширина отвору, що утворюється після відкриття кришки люка, дає змогу потрапити всередину резервуара під час сервісних робіт, а також виконання огляду резервуара.

Застосування люка овального E125

Еліптичний люк типу E125 застосовують у широкому діапазоні резервуарів із нержавіючої сталі, що, безумовно, робить його вкрай корисним у таких галузях промисловості:

  • харчовій,
  • молочній,
  • виробництва напоїв і концентратів,
  • косметичній,
  • хімічній та біотехнологічній.

Крім того, люк типу E125 успішно використовують у пивоваренні, лікеро-горілчаному виробництві, а також у всіх типах застосувань, де необхідно забезпечити підвищену стійкість до корозії.

 

Підбираючи люк до конкретних умов експлуатації, завжди слід враховувати властивості матеріалів і компонентів, використаних для його виготовлення.

Модель H [mm] S1 [mm] S2 [mm] Макс. [bar]
E125 60 10 2.5 2.0
E125/A 100 10 2.5 2.0

 

Parametry techniczne

Seria produktowaSeria E
WymiarL (dłuższy bok włazu między 501-700 mm)
KształtWłazy owalne
TypCiśnieniowe
Wysokość kołnierza (w mm)60-100 mm
Grubość ścianki kołnierza (w mm)10.0 mm
Sposób otwieraniaDo wewnątrz
BranżaBrowarnictwo, Chemia, Mleczarstwo, Produkcja spożywcza, Winiarstwo
Sposób montażuw poszyciu (na boku) zbiornika
Ciśnienie0.5 - 2.5 bar
Podciśnienienie dotyczy
Certyfikat PEDnie
Rodzaj staliAISI 304/304L, AISI 316/316L
Materiał uszczelnieniaEPDM, NBR, Silikon, Viton
Materiał pokrętłaINOX

Używamy cookies

Używamy plików cookies aby ułatwić Ci korzystanie z naszych stron www, do celów statystycznych oraz reklamowych. Jeśli nie blokujesz tych plików, to zgadzasz się na ich użycie oraz zapisanie w pamięci Twojego urządzenia. Pamiętaj, że możesz samodzielnie zmienić ustawienia przeglądarki tak, aby zablokować zapisywanie plików cookies. Więcej informacji znajdziesz w naszej polityce prywatności.
skontaktuj się z nami