C19 (440x310)

  • Ciśnienie do 2.0 bar
  • Montaż w bocznym poszyciu zbiornika
  • Otwierany do wewnątrz
  • Wykonany ze stali nierdzewnej AISI 304 lub AISI 316
  • Materiał uszczelki: EPDM, silikon, NBR lub Viton
  • Grubość ścianki kołnierza: 8 mm

Овальний люк з нержавіючої сталі C19

Овальний люк C19 розміром 440x310 mm встановлюють у боковій частині автоклавів, а також інших резервуарів високого тиску з нержавіючої сталі. Форма люка, а також його габарити та робочі параметри тиску дають змогу монтувати його в резервуарах із різною місткістю.

 

Кришка люка оснащується надійним шарніром, завдяки чому відкривається легко та безпечно. Завдання шарніра також полягає у стабілізації відкритої кришки, що в результаті спрощує всі операції, пов’язані з поточним обслуговуванням як самого люка, так і резервуара.

 

Овальні люки C19 - застосowanie

Овальний люк C19 встановлюють в автоклавах та різного типу технологічному обладнанні. Основні сфери застосування цієї моделі люка:

  • харчова промисловість і молочна галузь,
  • виробництво напоїв і алкоголю,
  • переробка овочів і фруктів.

Завдяки універсальній конструкції та широкому діапазону доступних матеріалів ущільнень цей люк можна застосовувати також у таких галузях: 

  • біотехнологія, 
  • хімічна промисловість, 
  • косметична промисловість та суміжні напрями. 
Модель A
[mm]
B
[mm]
C
[mm]
DxE
[mm]
MAX
[bar]
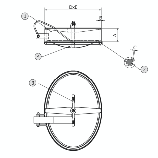
C19/A 55 8 2 456x326 2.0
C19/B 80 8 2 456x326 2.0

 

Symbol Element
1 рама/фланець
2 ущільнення
3 ручка
4 кришка

 

Parametry techniczne

Seria produktowaSeria C
WymiarM (dłuższy bok włazu między 300-500 mm)
KształtWłazy owalne
TypCiśnieniowe
Wysokość kołnierza (w mm)55-80 mm
Grubość ścianki kołnierza (w mm)8.0 mm
Sposób otwieraniaDo wewnątrz
Sposób montażuw poszyciu (na boku) zbiornika
Ciśnienie0.5 - 2.5 bar
Podciśnienienie dotyczy
Certyfikat PEDnie
Rodzaj staliAISI 304/304L, AISI 316/316L
Materiał uszczelnieniaEPDM, NBR, Silikon, Viton
Materiał pokrętłaINOX

Używamy cookies

Używamy plików cookies aby ułatwić Ci korzystanie z naszych stron www, do celów statystycznych oraz reklamowych. Jeśli nie blokujesz tych plików, to zgadzasz się na ich użycie oraz zapisanie w pamięci Twojego urządzenia. Pamiętaj, że możesz samodzielnie zmienić ustawienia przeglądarki tak, aby zablokować zapisywanie plików cookies. Więcej informacji znajdziesz w naszej polityce prywatności.
skontaktuj się z nami