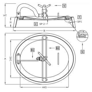
A320 (345x445)

  • Ciśnienie do 3.2 bar
  • Montaż w bocznym poszyciu zbiornika ciśnieniowego
  • Otwierany do wewnątrz
  • Zawias zewnętrzny
  • Uszczelka na pokrywie

Овальний люк з нержавіючої сталі A320

Овальний люк A320 – це велика конструкція, призначена для монтажу в бічній стінці резервуара. Зовнішній шарнір дає змогу відкривати кришку всередину резервуара. Метеликова ручка з нержавіючої сталі забезпечує зручне й надійне притискання кришки та ущільнення всього вузла.

 

Стандартно ця модель виготовляється з нержавіючої сталі AISI 304/304L, а за запитом – з матеріалу AISI 316L. Широкий вибір еластомерів, що застосовуються для виробництва ущільнень, дає змогу використовувати люк у контакті з різними рідинами та розчинами.

Застосування овального люка з нержавіючої сталі A320

Основні сфери застосування:

  • харчова промисловість,
  • виробництво напоїв та алкоголю,
  • хімічна та біотехнологічна промисловість.

Люк ефективно застосовується всюди, де його використання допускають параметри матеріалів, з яких він виготовлений.

Модель A [mm] B [mm] HxSP1 [mm] HT [mm]* SP2 [mm] Макс. [бар]* Вага [kg]
A320 460 560

90x3**

130x3

215 2.5 3.0 14.5
A320R 460 560 215 3.0 2.0 15.5

*Для стандартного виконання (HxSP1 = 90x3 mm).

**Стандартне виконання.

Символ Елемент
V ручка
C кришка
G ущільнення
T фланець
B1 поперечне плече
B2 вертикальне плече

 

Parametry techniczne

Seria produktowaSeria A
WymiarM (dłuższy bok włazu między 300-500 mm)
KształtWłazy owalne
TypCiśnieniowe
Wysokość kołnierza (w mm)90-130 mm
Grubość ścianki kołnierza (w mm)3.0 mm
Sposób otwieraniaDo wewnątrz
BranżaBrowarnictwo, Chemia, Mleczarstwo, Produkcja spożywcza, Winiarstwo
Sposób montażuw poszyciu (na boku) zbiornika
Ciśnienie2.51 - 4.5 bar
Podciśnienienie dotyczy
Certyfikat PEDnie
Rodzaj staliAISI 304/304L, AISI 316/316L
Materiał uszczelnieniaEPDM, NBR, Neopren, Silikon, Viton
Materiał pokrętłaINOX

Używamy cookies

Używamy plików cookies aby ułatwić Ci korzystanie z naszych stron www, do celów statystycznych oraz reklamowych. Jeśli nie blokujesz tych plików, to zgadzasz się na ich użycie oraz zapisanie w pamięci Twojego urządzenia. Pamiętaj, że możesz samodzielnie zmienić ustawienia przeglądarki tak, aby zablokować zapisywanie plików cookies. Więcej informacji znajdziesz w naszej polityce prywatności.
skontaktuj się z nami