A317E (345x445)

  • Ciśnienie do 5.0 bar
  • Montaż w bocznym poszyciu zbiornika ciśnieniowego
  • Otwierany do wewnątrz
  • Zawias wewnętrzny
  • Uszczelka na pokrywie

Овальний люк з нержавіючої сталі A317E

Овальний люк A317E – це стандартна конструкція, призначена для монтажу в бічній стінці резервуара. Внутрішній шарнір дає змогу відкривати кришку всередину резервуара. Велика пластикова ручка (стандартно) або опційна метелик-подібна ручка INOX M16 полегшують надійне притискання кришки та герметизацію всього вузла.

 

Цю модель стандартно виготовляють з нержавіючої сталі AISI 304/304L, а за запитом – зі сталі марки AISI 316L. Широкий вибір еластомерів, що застосовуються для виробництва ущільнень, дає змогу використовувати люк у контакті з різними робочими середовищами (рідини, розчини).

Застосування овального люка з нержавіючої сталі A317E

Основні сфери застосування:

  • харчова промисловість,
  • виробництво напоїв та алкогольної продукції,
  • хімічна та біотехнологічна промисловість.

Люк ефективно використовують скрізь, де його застосування допускають параметри матеріалів, з яких він виготовлений.

Модель A [mm] B [mm] HxSP1 [mm] HT [mm]* SP2 [mm] Макс. [бар]* Маса [kg]
A317E 345 445

60x10**

80x10

100x10

130x10

173 4.0 5.0 15.5

*Для стандартного виконання (HxSP1 = 60x10 mm).

**Стандартне виконання.

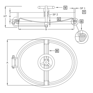
Символ Елемент
V ручка
C кришка
G ущільнення
T фланець
B важіль

 

Parametry techniczne

Seria produktowaSeria A
WymiarM (dłuższy bok włazu między 300-500 mm)
KształtWłazy owalne
TypCiśnieniowe
Wysokość kołnierza (w mm)60-130 mm
Grubość ścianki kołnierza (w mm)10.0 mm
Sposób otwieraniaDo wewnątrz
Sposób montażuw poszyciu (na boku) zbiornika
Ciśnienie4.51 - 6.5 bar
Podciśnienienie dotyczy
Certyfikat PEDnie
Rodzaj staliAISI 304/304L, AISI 316/316L
Materiał uszczelnieniaEPDM, NBR, Silikon, Viton
Materiał pokrętłaTworzywo sztuczne, INOX

Używamy cookies

Używamy plików cookies aby ułatwić Ci korzystanie z naszych stron www, do celów statystycznych oraz reklamowych. Jeśli nie blokujesz tych plików, to zgadzasz się na ich użycie oraz zapisanie w pamięci Twojego urządzenia. Pamiętaj, że możesz samodzielnie zmienić ustawienia przeglądarki tak, aby zablokować zapisywanie plików cookies. Więcej informacji znajdziesz w naszej polityce prywatności.
skontaktuj się z nami