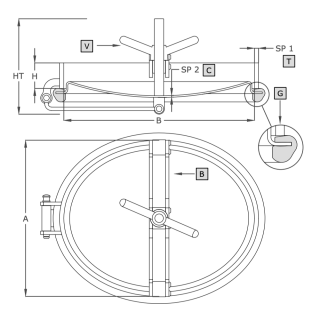
A317 (345x445)

  • Ciśnienie do 5.0 bar
  • Montaż w bocznym poszyciu zbiornika ciśnieniowego
  • Otwierany do wewnątrz
  • Zawias wewnętrzny
  • Uszczelka na pokrywie

Овальний люк з нержавіючої сталі A317

Овальний люк A317 – це стандартна конструкція, призначена для монтажу в бічній стінці резервуара. Внутрішній шарнір дає змогу відкривати кришку всередину резервуара. Метеликова ручка INOX M22 забезпечує зручне притискання кришки та герметизацію всього вузла.

 

Цю модель стандартно виготовляють з нержавіючої сталі AISI 304/304L, а за бажанням – зі сталі марки AISI 316L. Ущільнення з еластомерів, таких як EPDM, NBR, VMQ або FKM, дають змогу використовувати люк для широкого спектра робочих середовищ (рідини, розчини).

Застосування овального люка з нержавіючої сталі A317

Основні сфери застосування:

  • харчова промисловість,
  • виробництво напоїв та алкоголю,
  • хімічна та біотехнологічна промисловість.

Люк ефективно застосовується всюди, де його використання допускають параметри матеріалів, з яких він виготовлений.

Модель A [мм] B [мм] HxSP1 [мм] HT [мм]* SP2 [мм] Макс. [бар]* Маса [кг]
A317 345 445

60x10**

80x10

100x10

130x10

223 4.0 5.0 16.8

*Для стандартного виконання (HxSP1 = 60x10 мм).

**Стандартне виконання.

Symbol Element
V ручка
C кришка
G ущільнення
T фланець
B важіль

 

Parametry techniczne

Seria produktowaSeria A
WymiarM (dłuższy bok włazu między 300-500 mm)
KształtWłazy owalne
TypCiśnieniowe
Wysokość kołnierza (w mm)60-130 mm
Grubość ścianki kołnierza (w mm)10.0 mm
Sposób otwieraniaDo wewnątrz
Sposób montażuw poszyciu (na boku) zbiornika
Ciśnienie4.51 - 6.5 bar
Podciśnienienie dotyczy
Certyfikat PEDnie
Rodzaj staliAISI 304/304L, AISI 316/316L
Materiał uszczelnieniaEPDM, NBR, Silikon, Viton
Materiał pokrętłaINOX

Używamy cookies

Używamy plików cookies aby ułatwić Ci korzystanie z naszych stron www, do celów statystycznych oraz reklamowych. Jeśli nie blokujesz tych plików, to zgadzasz się na ich użycie oraz zapisanie w pamięci Twojego urządzenia. Pamiętaj, że możesz samodzielnie zmienić ustawienia przeglądarki tak, aby zablokować zapisywanie plików cookies. Więcej informacji znajdziesz w naszej polityce prywatności.
skontaktuj się z nami