A316 (345x445)

  • Ciśnienie do 3.5 bar
  • Montaż w bocznym poszyciu zbiornika ciśnieniowego
  • Do zbiorników o średnicy Ø900 mm lub większej
  • Doginany do krzywizny zbiornika
  • Otwierany do wewnątrz
  • Zawias zewnętrzny
  • Uszczelka na pokrywie

Овальний люк з нержавіючої сталі A316

Овальний люк A316 відкривається всередину резервуара. Його монтують у бічній оболонці резервуара тискового з нержавіючої сталі.

 

Під час виготовлення люка A316 його додатково гнуть під конкретний діаметр резервуара. Тому виготовлення цього типу люка здійснюється лише за індивідуальним замовленням. Цю модель призначено для резервуарів діаметром 900 мм і більше.

 

Люк A316 стандартно виготовляють з нержавіючої сталі AISI 304/304L, а за бажанням замовника – зі сталі марки AISI 316L. Широкий вибір еластомерів, що застосовуються для виробництва ущільнень, дає змогу використовувати люк із широким спектром робочих середовищ (рідин, розчинів).

Застосування овального люка з нержавіючої сталі A316

Основні сфери застосування:

  • пивоварні резервуари,
  • ферментаційна промисловість,
  • виробництво напоїв, вина та алкоголю,
  • хімічна та біотехнологічна промисловість.

Еліптичний люк A316/A316R також ефективно застосовується в інших установках за умови, що робоче середовище буде відповідним з огляду на властивості матеріалів, використаних для його виготовлення.

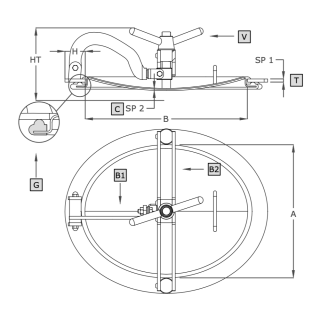
Модель A [mm] B [mm] HxSP1 [mm] HT [mm] SP2 [mm] Макс. [бар] Вага [kg]
A316 345 445

40x8

Ø ≥ 900 mm*

175 3.0 3.0 12.0
A316R 345 445 175 3.5 3.5 13.0

*Діаметр резервуара.

Symbol Element
V ручка
C кришка
G ущільнення
T фланець
B1 поперечне плече
B2 вертикальне плече

 

Parametry techniczne

Seria produktowaSeria A
WymiarM (dłuższy bok włazu między 300-500 mm)
KształtWłazy owalne
TypCiśnieniowe
Wysokość kołnierza (w mm)40 mm
Grubość ścianki kołnierza (w mm)8.0 mm
Sposób otwieraniaDo wewnątrz
BranżaBrowarnictwo, Chemia, Mleczarstwo, Produkcja spożywcza, Winiarstwo
Sposób montażuw poszyciu (na boku) zbiornika
Ciśnienie2.51 - 4.5 bar
Podciśnienienie dotyczy
Certyfikat PEDnie
Rodzaj staliAISI 304/304L, AISI 316/316L
Materiał uszczelnieniaEPDM, NBR, Neopren, Silikon, Viton
Materiał pokrętłaINOX

Używamy cookies

Używamy plików cookies aby ułatwić Ci korzystanie z naszych stron www, do celów statystycznych oraz reklamowych. Jeśli nie blokujesz tych plików, to zgadzasz się na ich użycie oraz zapisanie w pamięci Twojego urządzenia. Pamiętaj, że możesz samodzielnie zmienić ustawienia przeglądarki tak, aby zablokować zapisywanie plików cookies. Więcej informacji znajdziesz w naszej polityce prywatności.
skontaktuj się z nami