A315 (400x490)

  • Ciśnienie do 10.0 bar
  • PED-2014/68/EU
  • Montaż w bocznym poszyciu zbiornika ciśnieniowego
  • Otwierany do wewnątrz
  • Zawias wewnętrzny
  • Uszczelka na krawędzi pokrywy

Овальний люк з нержавіючої сталі A315

Овальний люк A315 для резервуарів тискового типу. Кришка люка кріпиться на завісі, завдяки чому відкривається всередину резервуара.

 

Цей люк монтується в боковій обшивці резервуарів з нержавіючої сталі, зазвичай у їхній нижній частині. Овальний люк A315 відповідає вимогам директиви тискового обладнання P.E.D. 2014/68/EU. Поставляється разом із відповідним паспортом, що підтверджує експлуатаційні параметри.

 

Стандартно люк обладнаний ущільненням з EPDM, призначеним для контакту з харчовими продуктами (FDA). Окрім стандартного ущільнення, доступні ущільнення з інших матеріалів, що повною мірою забезпечує стійкість до впливу різноманітних середовищ та широкий діапазон робочих температур.

 

Ущільнення розміщене на кромці кришки. Значний діапазон доступних висот монтажних фланців дає змогу успішно встановлювати люк A315 у тискових резервуарах, покритих теплоізоляцією.

Застосування овального люка з нержавіючої сталі A315

Основні сфери застосування:

  • харчова промисловість,
  • виробництво напоїв та алкогольної продукції,
  • хімічна та біотехнологічна промисловість,
  • тисингові процесні резервуари.

Люк ефективно застосовується усюди, де його використання допускають параметри матеріалів, з яких він виготовлений.

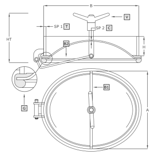
Модель A [mm] B [mm] HxSP1 [mm] HT [mm]* SP2 [mm] Макс. [бар]* Вага [kg]
A315 400 490

100x12**

130x12

150x12

200x12

290 6.0 10.0 27.0

*Для стандартного виконання (HxSP1 = 100x12 mm).

**Стандартне виконання.

Умовне позначення Елемент
V ручка
C кришка
G ущільнення
T фланець
B1 вертикальне плече
B2 поперечне плече

 

Parametry techniczne

Seria produktowaSeria A
WymiarM (dłuższy bok włazu między 300-500 mm)
KształtWłazy owalne
TypCiśnieniowe
Wysokość kołnierza (w mm)100-200 mm
Grubość ścianki kołnierza (w mm)12.0 mm
Sposób otwieraniaDo wewnątrz
Sposób montażuw poszyciu (na boku) zbiornika
Ciśnieniepowyżej 8.5 bar
Podciśnienienie dotyczy
Certyfikat PEDtak
Materiał uszczelnieniaEPDM, NBR, Silikon, Viton
Materiał pokrętłaINOX

Używamy cookies

Używamy plików cookies aby ułatwić Ci korzystanie z naszych stron www, do celów statystycznych oraz reklamowych. Jeśli nie blokujesz tych plików, to zgadzasz się na ich użycie oraz zapisanie w pamięci Twojego urządzenia. Pamiętaj, że możesz samodzielnie zmienić ustawienia przeglądarki tak, aby zablokować zapisywanie plików cookies. Więcej informacji znajdziesz w naszej polityce prywatności.
skontaktuj się z nami