A314 (400x490)

  • Ciśnienie do 10.0 bar
  • PED-2014/68/EU
  • Montaż w bocznym poszyciu zbiornika ciśnieniowego
  • Otwierany do wewnątrz
  • Zawias zewnętrzny
  • Uszczelka na krawędzi pokrywy

Люк овальний A314

Люк овальний A314 призначений для резервуарів тискових. Кришка люка кріпиться на зовнішньому шарнірі, завдяки чому відкривається всередину резервуара.

 

Цей люк монтують у бічній обшивці резервуарів з нержавіючої сталі, зазвичай у їхній нижній частині. Овальний люк A314 відповідає вимогам директиви тискової P.E.D. 2014/68/EU. Поставляється разом із відповідним паспортом, що підтверджує робочі параметри.

 

Стандартно цей люк оснащується ущільненням з EPDM, дозволеним для контакту з харчовими продуктами (FDA). Окрім стандартного ущільнення, доступні ущільнення з інших матеріалів, що повністю гарантує стійкість до впливу багатьох різнорідних середовищ і широкий діапазон робочих температур.

 

Ущільнення розташоване на крайці кришки. Значний діапазон доступних висот монтажних фланців дає змогу успішно встановлювати люк A314 у тискових резервуарах, покритих теплоізоляцією.

Застосування овального люка з нержавіючої сталі A314

Основні напрями застосування:

  • харчова промисловість,
  • виробництво напоїв та алкогольних виробів,
  • хімічна та біотехнологічна промисловість,
  • тискові процесні резервуари.

Люк ефективно застосовується скрізь там, де його використання допускають параметри матеріалів, з яких він виготовлений.

Модель A [mm] B [mm] HxSP1 [mm] HT [mm]* SP2 [mm] Макс. [бар]* Маса [kg]
A314 400 490

100x12**

130x12

150x12

200x12

270 6.0 10.0 28.0

*Для стандартного виконання (HxSP1 = 100x12 mm).

**Стандартне виконання.

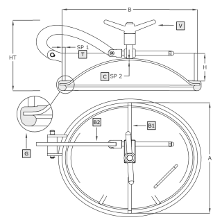
Symbol Element
V ручка
C кришка
G ущільнення
T фланець
B1 вертикальне плече
B2 поперечне плече

 

Parametry techniczne

Seria produktowaSeria A
WymiarM (dłuższy bok włazu między 300-500 mm)
KształtWłazy owalne
Wysokość kołnierza (w mm)100-200 mm
Grubość ścianki kołnierza (w mm)12.0 mm
Sposób otwieraniaDo wewnątrz
Sposób montażuw poszyciu (na boku) zbiornika
Ciśnieniepowyżej 8.5 bar
Podciśnienienie dotyczy
Certyfikat PEDtak
Rodzaj staliAISI 304/304L, AISI 316/316L
Materiał uszczelnieniaEPDM, NBR, Silikon, Viton
Materiał pokrętłaINOX

Używamy cookies

Używamy plików cookies aby ułatwić Ci korzystanie z naszych stron www, do celów statystycznych oraz reklamowych. Jeśli nie blokujesz tych plików, to zgadzasz się na ich użycie oraz zapisanie w pamięci Twojego urządzenia. Pamiętaj, że możesz samodzielnie zmienić ustawienia przeglądarki tak, aby zablokować zapisywanie plików cookies. Więcej informacji znajdziesz w naszej polityce prywatności.
skontaktuj się z nami