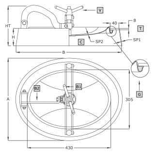
A312 (305x430)

  • Ciśnienie do 2.5 bar
  • Montaż w bocznym poszyciu zbiornika ciśnieniowego
  • Otwierany do wewnątrz
  • Zawias zewnętrzny
  • Uszczelka w pokrywie

Овальний люк з нержавіючої сталі A312

Овальний люк A312 — це стандартна конструкція, призначена для монтажу в бічній стінці резервуара. Зовнішній шарнір дає змогу відкривати кришку всередину резервуара. Велика пластикова ручка (стандарт) або опційна ручка-«метелик» (INOX) M16 полегшують надійне притискання кришки та герметизацію всього вузла.

 

Цю модель стандартно виготовляють із нержавіючої сталі AISI 304/304L, а за запитом — зі сталі марки AISI 316L. Широкий добір еластомерів, що застосовуються для виробництва ущільнень, дає змогу використовувати люк із широким спектром робочих середовищ (рідин, розчинів).

Застосування овального люка з нержавіючої сталі A312

Основні сфери застосування:

  • харчова промисловість,
  • виробництво напоїв та алкоголю,
  • хімічна та біотехнологічна промисловість.

Люк ефективно застосовують усюди, де його використання дозволяють параметри матеріалів, з яких він виготовлений.

Модель A [mm] B [mm] HxSP1 [mm] HT [mm]* SP2 [mm] Макс. [бар]* Вага [kg]
A312 305 430

90x3**

130x3

153 2.0 2.5 11.5

*Для стандартного виконання (HxSP1 = 90x3 mm).

**Стандартне виконання.

Symbol Element
V ручка
C кришка
G ущільнення
T фланець
B1 вертикальне плече
B2 поперечне плече

 

Parametry techniczne

Seria produktowaSeria A
WymiarM (dłuższy bok włazu między 300-500 mm)
KształtWłazy owalne
TypCiśnieniowe
Wysokość kołnierza (w mm)90-130 mm
Grubość ścianki kołnierza (w mm)3.0 mm
Sposób otwieraniaDo wewnątrz
Sposób montażuw poszyciu (na boku) zbiornika
Ciśnienie0.5 - 2.5 bar
Podciśnienienie dotyczy
Certyfikat PEDnie
Rodzaj staliAISI 304/304L, AISI 316/316L
Materiał uszczelnieniaEPDM, NBR, Neopren, Silikon, Viton
Materiał pokrętłaTworzywo sztuczne, INOX

Używamy cookies

Używamy plików cookies aby ułatwić Ci korzystanie z naszych stron www, do celów statystycznych oraz reklamowych. Jeśli nie blokujesz tych plików, to zgadzasz się na ich użycie oraz zapisanie w pamięci Twojego urządzenia. Pamiętaj, że możesz samodzielnie zmienić ustawienia przeglądarki tak, aby zablokować zapisywanie plików cookies. Więcej informacji znajdziesz w naszej polityce prywatności.
skontaktuj się z nami