A310 (400x490)

  • Ciśnienie do 10.0 bar
  • PED-2014/68/EU
  • Montaż w bocznym poszyciu zbiornika ciśnieniowego
  • Otwierany do wewnątrz
  • Zawias wewnętrzny
  • Uszczelka na krawędzi pokrywy

Овальний люк з нержавіючої сталі A310

Овальний люк A310 для резервуарів високого тиску. Кришка люка кріпиться на завісі, завдяки чому відкривається всередину резервуара.

 

Цей люк монтують у бічній обшивці резервуарів з нержавіючої сталі, зазвичай у їхній нижній частині. Овальний люк A310 відповідає вимогам директиви з обладнання, що працює під тиском, P.E.D. 2014/68/EU. Він постачається разом з відповідним паспортом, який підтверджує експлуатаційні параметри.

 

Стандартно цей люк оснащується ущільненням з EPDM, призначеним для контакту з харчовими продуктами (FDA). Окрім стандартного ущільнення, доступні також ущільнення з інших матеріалів, що повною мірою забезпечує стійкість до впливу багатьох різних середовищ та широкий діапазон робочих температур.

 

Ущільнення розташоване по краю кришки. Широкий діапазон доступних висот монтажних фланців дає змогу успішно встановлювати люк A310 у резервуарах високого тиску з термоізоляцією.

Застосування овального люка з нержавіючої сталі A310

Основні сфери застосування:

  • харчова промисловість,
  • виробництво напоїв та алкоголю,
  • хімічна та біотехнологічна промисловість,
  • процесні резервуари високого тиску.

Люк ефективно застосовується всюди, де його використання допускають параметри матеріалів, з яких він виготовлений.

Модель A [mm] B [mm] HxSP1 [mm] HT [mm]* SP2 [mm] Макс. [бар]* Вага [kg]
A310 400 490

100x12**

130x12

150x12

200x12

300 6.0 10.0 26.0

*Для стандартного виконання (HxSP1 = 100x12 mm).

**Стандартне виконання.

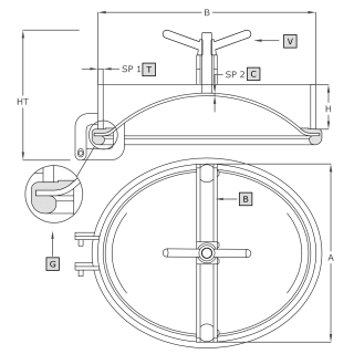
Symbol Element
V ручка
C кришка
G ущільнення
T фланець
B важіль

 

Parametry techniczne

Seria produktowaSeria A
WymiarM (dłuższy bok włazu między 300-500 mm)
KształtWłazy owalne
TypCiśnieniowe
Wysokość kołnierza (w mm)100-200 mm
Grubość ścianki kołnierza (w mm)12.0 mm
Sposób otwieraniaDo wewnątrz
Sposób montażuw poszyciu (na boku) zbiornika
Ciśnieniepowyżej 8.5 bar
Podciśnienienie dotyczy
Certyfikat PEDtak
Materiał uszczelnieniaEPDM, NBR, Silikon, Viton
Materiał pokrętłaINOX

Używamy cookies

Używamy plików cookies aby ułatwić Ci korzystanie z naszych stron www, do celów statystycznych oraz reklamowych. Jeśli nie blokujesz tych plików, to zgadzasz się na ich użycie oraz zapisanie w pamięci Twojego urządzenia. Pamiętaj, że możesz samodzielnie zmienić ustawienia przeglądarki tak, aby zablokować zapisywanie plików cookies. Więcej informacji znajdziesz w naszej polityce prywatności.
skontaktuj się z nami