A309IG (345x445)

  • Ciśnienie do 3.0 bar
  • Właz higieniczny
  • Montaż w bocznym poszyciu zbiornika ciśnieniowego
  • Do zbiorników o średnicy Ø700 mm lub większej
  • Doginany do krzywizny zbiornika
  • Otwierany do wewnątrz
  • Zawias zewnętrzny
  • Uszczelka na pokrywie

Люк овальний A309IG

Люк овальний A309IG – модель з унікальною конструкцією, оптимізованою для створення гігієнічних умов експлуатації у резервуарі. Монтується в бічній обшивці резервуарів тискових з нержавіючої сталі, призначених для рідких або сипких харчових продуктів. Кришка відкривається всередину резервуара.

 

Під час виробництва люк додатково гнеться під конкретний діаметр резервуара, тому виготовляється виключно на індивідуальне замовлення. Ця модель підходить для резервуарів з діаметром Ø700 mm і більше.

 

Гігієнічний люк зі спеціальною конструкцією. Вдало підібрані кривизни, відсутність елементів люка, що виступають усередину резервуара, а також ручне доопрацювання деталей люка усувають ризик мікробіологічного забруднення продукту.

 

Стандартно цю модель виготовляють із нержавіючої сталі AISI 304/304L, а за бажанням – зі сталі марки AISI 316L. Широкий спектр еластомерів, що застосовуються для виробництва ущільнень, дає змогу використовувати люк з великим діапазоном робочих середовищ (рідин, розчинів).

Застосування овального люка з нержавіючої сталі A309IG

Основні сфери застосування:

  • резервуари для зберігання харчових продуктів,
  • застосування, де необхідне дотримання високих вимог до гігієни,
  • виробництво напоїв, вина та алкогольної продукції,
  • косметична й біотехнологічна промисловість.

Еліптичний люк A309IG з успіхом застосовується також в інших установках за умови, що робоче середовище буде сумісним з властивостями матеріалів, використаних у його конструкції.

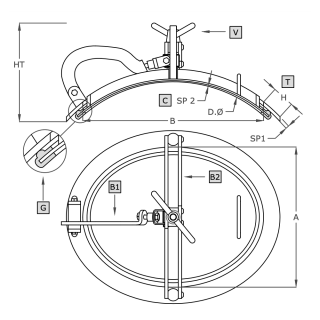
Модель A [mm] B [mm] HxSP1 [mm] HT [mm] SP2 [mm] Макс. [бар] Маса [kg]
A309IG 345 445

40x8

Ø ≥ 700 mm*

230 4.0 3.0 14.5

*Діаметр резервуара.

Символ Елемент
V ручка
C кришка
G ущільнення
T фланець
B1 поперечна балка
B2 вертикальна балка

 

Parametry techniczne

Seria produktowaSeria A
WymiarM (dłuższy bok włazu między 300-500 mm)
KształtWłazy owalne
TypCiśnieniowe
Wysokość kołnierza (w mm)40 mm
Grubość ścianki kołnierza (w mm)8.0 mm
Sposób otwieraniaDo wewnątrz
BranżaBrowarnictwo, Chemia, Farmacja, Mleczarstwo, Produkcja spożywcza, Winiarstwo
Sposób montażuw poszyciu (na boku) zbiornika
Ciśnienie2.51 - 4.5 bar
Podciśnienienie dotyczy
Certyfikat PEDnie
Rodzaj staliAISI 304/304L, AISI 316/316L
Materiał uszczelnieniaEPDM, NBR, Neopren, Silikon, Viton
Materiał pokrętłaTworzywo sztuczne, INOX

Używamy cookies

Używamy plików cookies aby ułatwić Ci korzystanie z naszych stron www, do celów statystycznych oraz reklamowych. Jeśli nie blokujesz tych plików, to zgadzasz się na ich użycie oraz zapisanie w pamięci Twojego urządzenia. Pamiętaj, że możesz samodzielnie zmienić ustawienia przeglądarki tak, aby zablokować zapisywanie plików cookies. Więcej informacji znajdziesz w naszej polityce prywatności.
skontaktuj się z nami