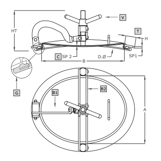
A308 (345x445)

  • Ciśnienie do 4.0 bar
  • Montaż w bocznym poszyciu zbiornika ciśnieniowego
  • Do zbiorników o średnicy Ø900 mm lub większej
  • Doginany do krzywizny zbiornika
  • Otwierany do wewnątrz
  • Zawias zewnętrzny
  • Uszczelka na pokrywie

Люк овалний A308

Люк овалний A308 відкривається всередину резервуару. Його монтують у бокову обшивку тискового резервуару з нержавіючої сталі.

Під час виробництва люк додатково підгинають під конкретний діаметр резервуару, тому його виготовляють виключно на замовлення. Ця модель призначена для резервуарів діаметром 900 мм і більше.

 

Люк A308 стандартно виготовляють з нержавіючої сталі AISI 304/304L, а за бажанням – з марки сталі AISI 316L. Широкий вибір еластомерів, які застосовують для виробництва ущільнень, дає змогу використовувати люк для широкого спектра робочих середовищ (рідин, розчинів).

Застосування овалного люка з нержавіючої сталі A308

Основні сфери застосування:

  • пивоварні резервуари,
  • ферментаційна промисловість,
  • виробництво напоїв, вина та алкоголю,
  • хімічна та біотехнологічна промисловість.

Еліптичний люк A308/A308R успішно застосовують також в інших установках, за умови, що робоче середовище буде відповідним з огляду на властивості матеріалів, використаних для його виготовлення.

Модель A [mm] B [mm] HxSP1 [mm] HT [mm] SP2 [mm] Макс. [бар] Вага [kg]
A308 345 445

40x8

Ø ≥ 900 mm*

175 3.0 3.0 12.0
A308R 345 445 175 4.0 3.5 13.0

*Діаметр резервуару.

Symbol Element
V ручка
C кришка
G ущільнення
T фланець
B важіль

 

Parametry techniczne

Seria produktowaSeria A
WymiarM (dłuższy bok włazu między 300-500 mm)
KształtWłazy owalne
TypCiśnieniowe
Wysokość kołnierza (w mm)40 mm
Grubość ścianki kołnierza (w mm)8.0 mm
Sposób otwieraniaDo wewnątrz
Sposób montażuw poszyciu (na boku) zbiornika
Ciśnienie2.51 - 4.5 bar
Podciśnienienie dotyczy
Certyfikat PEDnie
Rodzaj staliAISI 304/304L, AISI 316/316L
Materiał uszczelnieniaEPDM, NBR, Neopren, Silikon, Viton
Materiał pokrętłaINOX

Używamy cookies

Używamy plików cookies aby ułatwić Ci korzystanie z naszych stron www, do celów statystycznych oraz reklamowych. Jeśli nie blokujesz tych plików, to zgadzasz się na ich użycie oraz zapisanie w pamięci Twojego urządzenia. Pamiętaj, że możesz samodzielnie zmienić ustawienia przeglądarki tak, aby zablokować zapisywanie plików cookies. Więcej informacji znajdziesz w naszej polityce prywatności.
skontaktuj się z nami