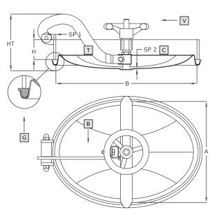
A307 (305x430)

  • Ciśnienie do 2.0 bar
  • Montaż w bocznym poszyciu zbiornika ciśnieniowego
  • Otwierany do wewnątrz
  • Zawias zewnętrzny
  • Uszczelka w pokrywie

Овальний люк з нержавіючої сталі A307

Овальний люк A307 — це стандартна конструкція, призначена для монтажу в бічній обшивці резервуара. Зовнішній шарнір дає змогу відкривати кришку всередину резервуара. Велика пластикова ручка (стандарт) або опційна метеликоподібна ручка M16 забезпечують зручне й надійне притискання кришки та герметизацію всього вузла.

 

Стандартно ця модель виготовляється з нержавіючої сталі AISI 304/304L, а за бажанням — з нержавіючої сталі марки AISI 316L. Широкий вибір еластомерів, що застосовуються для виготовлення ущільнень, дає змогу використовувати люк для роботи з широким спектром робочих середовищ (рідин, розчинів).

Застосування овального люка з нержавіючої сталі A307

Основні сфери застосування:

  • харчова промисловість,
  • виробництво напоїв та алкоголю,
  • хімічна та біотехнологічна промисловість.

Люк ефективно застосовують усюди, де параметри матеріалів, використаних для його виготовлення, дозволяють його використання.

Модель A [mm] B [mm] HxSP1 [mm] HT [mm]* SP2 [mm] Макс. [бар]* Вага [kg]
A307 305 430

60x6**

80x6

100x6

165 1.5 2.0 7.0
A307R 305 430 165 2.0 2.0 7.9

*Для стандартного виконання (HxSP1 = 60x6 mm).

**Стандартне виконання.

Позначення Елемент
V ручка
C кришка
G ущільнення
T фланець
B важіль

 

Parametry techniczne

Seria produktowaSeria A
WymiarM (dłuższy bok włazu między 300-500 mm)
KształtWłazy owalne
TypCiśnieniowe
Wysokość kołnierza (w mm)60-100 mm
Grubość ścianki kołnierza (w mm)6.0 mm
Sposób otwieraniaDo wewnątrz
Sposób montażuw poszyciu (na boku) zbiornika
Ciśnienie0.5 - 2.5 bar
Podciśnienienie dotyczy
Certyfikat PEDnie
Rodzaj staliAISI 304/304L, AISI 316/316L
Materiał uszczelnieniaEPDM, NBR, Neopren, Silikon, Viton
Materiał pokrętłaTworzywo sztuczne, INOX

Używamy cookies

Używamy plików cookies aby ułatwić Ci korzystanie z naszych stron www, do celów statystycznych oraz reklamowych. Jeśli nie blokujesz tych plików, to zgadzasz się na ich użycie oraz zapisanie w pamięci Twojego urządzenia. Pamiętaj, że możesz samodzielnie zmienić ustawienia przeglądarki tak, aby zablokować zapisywanie plików cookies. Więcej informacji znajdziesz w naszej polityce prywatności.
skontaktuj się z nami