A306 (305x430)

  • Ciśnienie do 2.0 bar
  • Montaż w bocznym poszyciu zbiornika ciśnieniowego
  • Otwierany do wewnątrz
  • Zawias zewnętrzny
  • Uszczelka w pokrywie

Овальний люк A306

Овальний люк A306 — це стандартна конструкція, призначена для монтажу в бічній стінці резервуара. Зовнішній шарнір дає змогу відкривати кришку всередину резервуара. Велика пластикова ручка (стандарт) або опційна метеликова ручка M16 забезпечують зручне притискання кришки та надійне ущільнення всього вузла.

 

Стандартно ця модель виготовляється з нержавіючої сталі AISI 304/304L, а за бажанням — з марки AISI 316L. Широкий вибір еластомерів, що застосовуються для виготовлення ущільнень, дає змогу використовувати люк для широкого спектра робочих середовищ (рідин, розчинів).

Застосування овального люка з нержавіючої сталі A306

Основні області застосування:

  • харчова промисловість,
  • виробництво напоїв та алкоголю,
  • хімічна та біотехнологічна промисловість.

Люк ефективно застосовується скрізь, де параметри матеріалів, використаних у його конструкції, відповідають вимогам процесу.

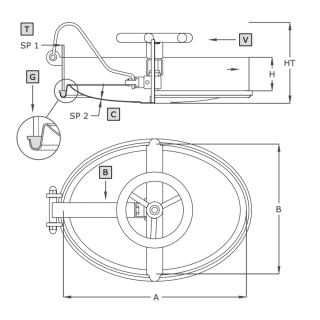
Модель A [мм] B [мм] HxSP1 [мм] HT [мм]* SP2 [мм] Макс. [бар]* Маса [кг]
A306 305 430

60x6**

80x6

100x6

165 1.5 2.0 7.1
A306R 305 430 165 2.0 2.0 8.0

*Для стандартного виконання (HxSP1 = 60x6 мм).

**Стандартне виконання.

Символ Елемент
V ручка
C кришка
G ущільнення
T фланець
B важіль

 

Parametry techniczne

Seria produktowaSeria A
WymiarM (dłuższy bok włazu między 300-500 mm)
KształtWłazy owalne
TypCiśnieniowe
Wysokość kołnierza (w mm)60-100 mm
Grubość ścianki kołnierza (w mm)6.0 mm
Sposób otwieraniaDo wewnątrz
Sposób montażuw poszyciu (na boku) zbiornika
Ciśnienie0.5 - 2.5 bar
Podciśnienienie dotyczy
Certyfikat PEDnie
Rodzaj staliAISI 304/304L, AISI 316/316L
Materiał uszczelnieniaEPDM, NBR, Neopren, Silikon, Viton
Materiał pokrętłaTworzywo sztuczne, INOX

Używamy cookies

Używamy plików cookies aby ułatwić Ci korzystanie z naszych stron www, do celów statystycznych oraz reklamowych. Jeśli nie blokujesz tych plików, to zgadzasz się na ich użycie oraz zapisanie w pamięci Twojego urządzenia. Pamiętaj, że możesz samodzielnie zmienić ustawienia przeglądarki tak, aby zablokować zapisywanie plików cookies. Więcej informacji znajdziesz w naszej polityce prywatności.
skontaktuj się z nami