A304 (305x430)

  • Ciśnienie do 2.0 bar
  • Montaż w bocznym poszyciu zbiornika ciśnieniowego
  • Otwierany do wewnątrz
  • Zawias wewnętrzny
  • Uszczelka w pokrywie

Люк овальний A304

Люк овальний A304 — це стандартна конструкція, призначена для монтажу в бічній стінці резервуара. Внутрішній шарнір дає змогу відкривати кришку всередину резервуара. Велика пластикова ручка (стандарт) або опційна метеликоподібна ручка (INOX) M16 полегшують надійне притискання кришки та герметизацію всього вузла.

 

Цю модель стандартно виготовляють з нержавіючої сталі AISI 304/304L, а за бажанням — зі сталі марки AISI 316L. Широкий вибір еластомерів, що застосовуються для виробництва ущільнень, дає змогу використовувати люк для роботи з широким спектром робочих середовищ (рідин, розчинів).

Застосування овального люка з нержавіючої сталі A304

Основні сфери застосування:

  • харчова промисловість,
  • виробництво напоїв та алкоголю,
  • хімічна та біотехнологічна промисловість.

Люк ефективно застосовують в усіх випадках, коли його використання відповідає параметрам матеріалів, з яких він виготовлений.

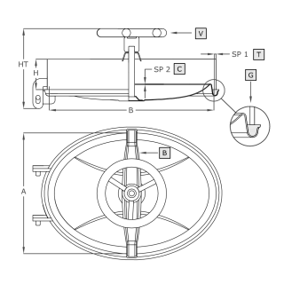
Модель A [mm] B [mm] HxSP1 [mm] HT [mm]* SP2 [mm] Макс. [бар]* Маса [kg]
A304 305 430

60x6**

80x6

100x6

150x6

165 1.5 1.5 7.0
A304R 305 430 165 2.0 2.0 7.9

*Для стандартного виконання (HxSP1 = 60x6 mm).

**Стандартне виконання.

Позначення Елемент
V ручка
C кришка
G ущільнення
T фланець
B важіль

 

Parametry techniczne

Seria produktowaSeria A
WymiarM (dłuższy bok włazu między 300-500 mm)
KształtWłazy owalne
TypCiśnieniowe
Wysokość kołnierza (w mm)60-150 mm
Grubość ścianki kołnierza (w mm)6.0 mm
Sposób otwieraniaDo wewnątrz
Sposób montażuw poszyciu (na boku) zbiornika
Ciśnienie0.5 - 2.5 bar
Podciśnienienie dotyczy
Certyfikat PEDnie
Rodzaj staliAISI 304/304L, AISI 316/316L
Materiał uszczelnieniaEPDM, NBR, Neopren, Silikon, Viton
Materiał pokrętłaTworzywo sztuczne, INOX

Używamy cookies

Używamy plików cookies aby ułatwić Ci korzystanie z naszych stron www, do celów statystycznych oraz reklamowych. Jeśli nie blokujesz tych plików, to zgadzasz się na ich użycie oraz zapisanie w pamięci Twojego urządzenia. Pamiętaj, że możesz samodzielnie zmienić ustawienia przeglądarki tak, aby zablokować zapisywanie plików cookies. Więcej informacji znajdziesz w naszej polityce prywatności.
skontaktuj się z nami