P42-080 (DN790)

  • Montaż w dachu zbiornika betonowego
  • Ciśnienie do 0.1 bar
  • Kołnierz (ościeżnica) dostosowana do osadzenia w betonie
  • Pokrywa zdejmowana
  • Uszczelka montowana na ramie
  • Materiał uszczelki: EPDM, neopren, silikon (również HT - high temperature), NBR, Viton i inne
  • Opcja: ATEX (wymaga indywidualnych uzgodnień)
  • Dostępne średnice: DN790

Круглий люк з нержавіючої сталі Boyer серія P42-080

Серія охоплює моделі: P42-080, P42-081

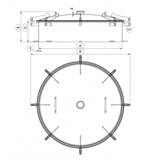
Круглий люк Boyer P42-080 розроблено спеціально для монтажу в цементних/бетонних резервуарах. Комір люка має спеціальні виступи, які дають змогу надійно закріпити його в бетонній основі. Кришка люка оснащується двома ручками для зручного знімання та вісьмома затискачами спеціальної конструкції, розташованими по колу.

 

Конструктивні елементи люків виготовляють з нержавіючої сталі марок AISI 304L та/або AISI 316L. Їх успішно застосовують у харчовій промисловості, косметичній, біотехнологічній галузях та споріднених секторах.

Круглі люки P42-080 - застосування

Круглий люк P42-080 монтують у різноманітних безтискових бетонних/цементних резервуарах, а також в інших типах конструкцій з цього матеріалу. Основні напрями застосування цього люка:

  • виробництво харчових продуктів,
  • переробка овочів і фруктів,
  • бетонні/цементні резервуари різного призначення.

 

Про продукцію Boyer

Продукція французького заводу Boyer гарантує найвищу якість виготовлення та тривалий термін служби. Увага до кожної деталі у виробничому процесі забезпечує, що ці люки відрізняються надзвичайно високою стійкістю, зручністю експлуатації та привабливим зовнішнім виглядом.

 

Вони чудово підходять для об’єктів, де потрібні продукти з найвищими стандартами. Саме тому люки бренду Boyer є одними з найпопулярніших у Європі.

Модель A (DN) [мм] C [мм] E [мм] B [мм] D [мм] Ручки Макс. [бар] Вага [кг]
P42-080 790 200 3 270 884 8 0.1 28.0
P42-081 790 200 3 270 928 8 0.1 28.0

 

Parametry techniczne

Seria produktowaBoyer
KształtWłazy okrągłe
TypBezciśnieniowe
Wysokość kołnierza (w mm)200 mm
Grubość ścianki kołnierza (w mm)3.0 mm
Sposób otwieraniaNa zewnątrz
Wymiarpowyżej DN700
Sposób montażuw dachu zbiornika
Ciśnienieponiżej 0.5 bar
Podciśnienienie dotyczy
Certyfikat PEDnie
Rodzaj staliAISI 304/304L, AISI 316/316L
Materiał uszczelnieniaEPDM, NBR, Neopren, Silikon, Silikon (high temperature - do 250°C), Viton, Inny
Materiał pokrętłaINOX, Inny

Używamy cookies

Używamy plików cookies aby ułatwić Ci korzystanie z naszych stron www, do celów statystycznych oraz reklamowych. Jeśli nie blokujesz tych plików, to zgadzasz się na ich użycie oraz zapisanie w pamięci Twojego urządzenia. Pamiętaj, że możesz samodzielnie zmienić ustawienia przeglądarki tak, aby zablokować zapisywanie plików cookies. Więcej informacji znajdziesz w naszej polityce prywatności.
skontaktuj się z nami