P33-200 (DN200-DN600)

  • Montaż w dachu zbiornika
  • Ciśnienie do 0.3 bar (w zależności od wersji)
  • Pokrywa uchylna
  • Uszczelka montowana w pokrywie
  • Materiał uszczelki: EPDM, neopren, silikon (również HT - high temperature), NBR, Viton i inne
  • Dostępne średnice: DN200 / DN300 / DN400 / DN500 / DN600

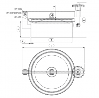
Круглий люк з нержавіючої сталі Boyer серія P33-200

Серія охоплює моделі: P33-200, P33-300, P33-400, P33-500, P33-600

Круглий люк Boyer P33-200 є найменшим люком у серії, яка налічує загалом п’ять моделей з прохідним діаметром отвору: 200, 300, 400, 500, 600. Усі люки цієї серії оснащуються відкидною кришкою.

 

Така конструкція забезпечує швидкий і зручний доступ до внутрішнього простору резервуара. Складові елементи люків виготовляються з нержавіючих сталей марок AISI 304L та/або AISI 316L. Як круглий люк Boyer P33-200, так і інші моделі цієї серії належать до групи універсальних безтискових круглих люків, які широко застосовуються в харчовій промисловості та споріднених галузях.

Круглі люки P33-200 – застосування

Круглі люки серії P33-200 монтуються в різноманітних безтискових резервуарах і технологічному обладнанні. Основні сфери застосування цієї моделі люка:

  • харчова та молочна промисловість,
  • виробництво напоїв і алкогольної продукції,
  • переробка овочів та фруктів.

Завдяки своїй універсальній конструкції та широкому вибору матеріалів ущільнень цей люк може також використовуватися в галузях: 

  • біотехнологія, 
  • хімічна промисловість, 
  • косметична промисловість та суміжні сфери. 

Про продукцію Boyer

Продукція французького заводу Boyer гарантує найвищу якість виконання та тривалий термін служби. Увага до кожної деталі в процесі виробництва забезпечує, що в результаті ці люки відзначаються надзвичайно високою стійкістю, зручністю експлуатації та естетичним зовнішнім виглядом.

 

Вони чудово підходять для застосувань, де необхідно дотримуватися найвищих стандартів продукції. Саме тому люки марки Boyer є одними з найпопулярніших у Європі.

Модель A (DN) [mm] C [mm] E [mm] B [mm] D [mm] Макс. [бар] Вага [kg]
P33-200 200 80 2 196 300 0.3 4.0
P33-300 300 80 2 170 400 0.2 5.0
P33-400 400 80 2 170 495 0.05 8.0
P33-500 500 80 2 184 595 0.05 10.0
P33-600 600 80 2 226 705 0.05 12.0

 

Parametry techniczne

Seria produktowaBoyer
KształtWłazy okrągłe
TypBezciśnieniowe
Wysokość kołnierza (w mm)80 mm
Grubość ścianki kołnierza (w mm)2.0 mm
Sposób otwieraniaNa zewnątrz
Wymiarponiżej DN300, DN300 - DN500, DN501 - DN700
Sposób montażuw dachu zbiornika
Ciśnienieponiżej 0.5 bar
Podciśnienienie dotyczy
Certyfikat PEDnie
Rodzaj staliAISI 304/304L, AISI 316/316L
Materiał uszczelnieniaEPDM, NBR, Neopren, Silikon, Silikon (high temperature - do 250°C), Viton, Inny
Materiał pokrętłaINOX, Inny

Używamy cookies

Używamy plików cookies aby ułatwić Ci korzystanie z naszych stron www, do celów statystycznych oraz reklamowych. Jeśli nie blokujesz tych plików, to zgadzasz się na ich użycie oraz zapisanie w pamięci Twojego urządzenia. Pamiętaj, że możesz samodzielnie zmienić ustawienia przeglądarki tak, aby zablokować zapisywanie plików cookies. Więcej informacji znajdziesz w naszej polityce prywatności.
skontaktuj się z nami