P33-196 (DN200-DN600)

  • Montaż w dachu zbiornika
  • Ciśnienie do 0.6 bar (w zależności od wersji)
  • Pokrywa zdejmowana
  • Wielopunktowy docisk
  • Uszczelka montowana w pokrywie
  • Materiał uszczelki: EPDM, neopren, silikon (również HT - high temperature), NBR, Viton i inne
  • Dostępne średnice: DN200 / DN300 / DN400 / DN500 / DN600

Круглий люк з нержавіючої сталі Boyer серія P33-196

Серія охоплює моделі: P33-196, P33-301, P33-401, P33-501, P33-601

Круглий люк Boyer P33-196 є найменшим люком у серії, яка загалом налічує п’ять позицій з діаметром світлового отвору: 200, 300, 400, 500 і 600 mm. Усі люки цієї серії оснащуються кришкою, знімною, що затискається по периметру.

 

Складові елементи люків виготовляються з нержавіючої сталі марок AISI 304L та/або AISI 316L. Як круглий люк Boyer P33-196, так і інші моделі цієї серії належать до групи дуже універсальних круглих безтискових люків, які широко застосовуються в харчовій промисловості та суміжних галузях.

Круглі люки P33-196 – застосування

Круглі люки серії P33-196 монтуються в різних типах безтискових резервуарів і процесного обладнання. Основні сфери застосування цієї моделі люка:

  • харчова та молочна промисловість,
  • виробництво напоїв та алкоголю,
  • переробка овочів і фруктів.

Завдяки універсальній конструкції та широкому вибору доступних матеріалів ущільнень цей люк може також використовуватися в таких галузях: 

  • біотехнологія, 
  • хімічна промисловість, 
  • косметична промисловість та споріднені сфери. 

Про продукцію Boyer

Продукція французького заводу Boyer гарантує найвищу якість виготовлення та тривалий термін служби. Увага до кожної деталі в процесі виробництва забезпечує в результаті, що ці люки відрізняються надзвичайно високою міцністю, зручністю експлуатації та естетичним виглядом.

 

Вони чудово підходять для всіх об’єктів, де необхідно застосувати виріб найвищого класу. Саме з цієї причини люки Boyer є одними з найпопулярніших у Європі.

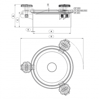
Модель A (DN) [mm] C [mm] E [mm] B [mm] D [mm] Ручка Макс. [бар] Вага [kg]
P33-196 200 80 2 130 271 3 0.6 4.0
P33-301 300 80 2 130 383 3 0.3 5.0
P33-401 400 80 2 130 536 4 0.3 8.0
P33-501 500 80 2 130 582 5 0.25 10.0
P33-601 600 80 2 130 735 6 0.1 12.0

 

Parametry techniczne

Seria produktowaBoyer
KształtWłazy okrągłe
TypBezciśnieniowe
Wysokość kołnierza (w mm)80 mm
Grubość ścianki kołnierza (w mm)2.0 mm
Sposób otwieraniaNa zewnątrz
Wymiarponiżej DN300, DN300 - DN500, DN501 - DN700
Sposób montażuw dachu zbiornika
Ciśnienieponiżej 0.5 bar, 0.5 - 2.5 bar
Podciśnienienie dotyczy
Certyfikat PEDnie
Rodzaj staliAISI 304/304L, AISI 316/316L
Materiał uszczelnieniaEPDM, NBR, Neopren, Silikon, Silikon (high temperature - do 250°C), Viton, Inny
Materiał pokrętłaINOX, Inny

Używamy cookies

Używamy plików cookies aby ułatwić Ci korzystanie z naszych stron www, do celów statystycznych oraz reklamowych. Jeśli nie blokujesz tych plików, to zgadzasz się na ich użycie oraz zapisanie w pamięci Twojego urządzenia. Pamiętaj, że możesz samodzielnie zmienić ustawienia przeglądarki tak, aby zablokować zapisywanie plików cookies. Więcej informacji znajdziesz w naszej polityce prywatności.
skontaktuj się z nami