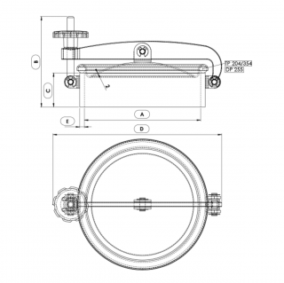
P33-114 (DN204-DN354)

  • Montaż w dachu zbiornika
  • Ciśnienie do 0.8 bar (w zależności od wersji)
  • Pokrywa uchylna
  • Uszczelka montowana w pokrywie
  • Materiał uszczelki: EPDM, neopren, silikon (również HT - high temperature), NBR, Viton i inne
  • Dostępne średnice: DN204 / DN255 / DN354

Круглий люк з нержавіючej сталі Boyer серія P33-114

Серія охоплює моделі: P33-114, P33-255, P33-315

Круглий люк Boyer P33-114 є найменшим люком у серії, яка включає загалом три позиції з діаметром світла отвору: 204, 255 і 354 mm. Усі люки цієї серії оснащуються відкидною кришкою з дужкою та одинарним притиском.

 

Міцна конструкція цього типу забезпечує швидкий і зручний доступ до внутрішнього простору резервуара та тривалий термін експлуатації. Складові елементи люків виготовляються з нержавіючої сталі марок AISI 304L та/або AISI 316L. Як круглий люк Boyer P33-114, так і інші моделі цієї серії належать до групи універсальних круглих люків, які широко застосовуються в харчовій промисловості та суміжних галузях.

Круглі люки P33-114 – застосування

Круглі люки серії P33-114 встановлюють у різноманітних безнапірних резервуарах та технологічному обладнанні. Основні сфери застосування цього типу люка:

  • харчова та молочна промисловість,
  • виробництво напоїв і алкогольних виробів,
  • переробка овочів і фруктів.

Завдяки своїй універсальній конструкції та широкому вибору доступних матеріалів ущільнень цей люк може також використовуватися в таких галузях: 

  • біотехнологія, 
  • хімічна промисловість, 
  • косметична промисловість та споріднені напрями. 

Про продукцію Boyer

Продукція французького заводу Boyer гарантує найвищу якість виготовлення та тривалий строк служби. Ретельний контроль кожної деталі у виробничому процесі забезпечує, що ці люки відзначаються надзвичайно високою міцністю, зручністю в експлуатації та привабливим зовнішнім виглядом.

 

Вони чудово підходять всюди, де необхідно застосувати продукт з найвищими стандартами. Саме тому люки Boyer є одними з найпопулярніших у Європі.

Модель A (DN) [mm] C [mm] E [mm] B [mm] D [mm] Макс. [бар] Маса [kg]
P33-114 204 60 8 154 296 +0.8/-0.9 4.0
P33-255 255 60 6 168 370 0.4 6.0
P33-315 354 60 8 177 490 +0.4/-0.9 9.0

 

Parametry techniczne

Seria produktowaBoyer
KształtWłazy okrągłe
TypCiśnieniowe
Wysokość kołnierza (w mm)60 mm
Grubość ścianki kołnierza (w mm)6.0-8.0 mm
Sposób otwieraniaNa zewnątrz
BranżaChemia, Farmacja, Produkcja spożywcza
Wymiarponiżej DN300, DN300 - DN500
Sposób montażuw dachu zbiornika
Ciśnienieponiżej 0.5 bar, 0.5 - 2.5 bar
Podciśnienienie dotyczy, od -0.51 do -1.0 bar
Certyfikat PEDnie
Rodzaj staliAISI 304/304L, AISI 316/316L
Materiał uszczelnieniaEPDM, NBR, Neopren, Silikon, Silikon (high temperature - do 250°C), Viton, Inny
Materiał pokrętłaINOX, Inny

Używamy cookies

Używamy plików cookies aby ułatwić Ci korzystanie z naszych stron www, do celów statystycznych oraz reklamowych. Jeśli nie blokujesz tych plików, to zgadzasz się na ich użycie oraz zapisanie w pamięci Twojego urządzenia. Pamiętaj, że możesz samodzielnie zmienić ustawienia przeglądarki tak, aby zablokować zapisywanie plików cookies. Więcej informacji znajdziesz w naszej polityce prywatności.
skontaktuj się z nami