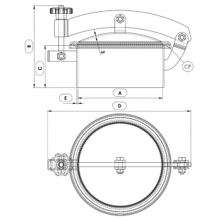
P31-240 (DN200-DN599)

  • Montaż w dachu zbiornika
  • Ciśnienie do 0.1 bar (w zależności od wersji)
  • Niezatrzymująca wody pokrywa wypukła
  • Właz z pokrywą aseptyczną
  • Pokrywa uchylna (do góry i na bok)
  • Uszczelka montowana na ramie
  • Materiał uszczelki: EPDM, neopren, silikon (również HT - high temperature), NBR, Viton i inne
  • Dostępne średnice: DN200 / DN300 / DN430 / DN499 / DN599

Круглий люк з нержавіючої сталі Boyer серія P31-240

Круглий люк Boyer P31-240 є найменшим люком у серії, яка включає загалом п’ять моделей з діаметрами світла отвору: 200, 300, 430, 499 i 599 mm. Усі люки цієї серії оснащуються відкидною кришкою зі штифтом, що полегшує її відведення вбік.

 

Така конструкція забезпечує швидкий і зручний доступ до внутрішнього простору резервуара. Складові елементи люків виготовляють з нержавіючої сталі марок AISI 304L та/або AISI 316L. Як круглий люк Boyer P31-240, так і інші моделі цієї серії належать до групи універсальних круглих люків, які широко застосовуються в харчовій промисловості та суміжних галузях.

Круглі люки P31-240 - застосування

Круглі люки серії P31-240 монтують у різноманітних безнапірних резервуарах та процесних апаратах. Основні сфери застосування цього типу люка:

  • харчова та молочна промисловість,
  • виробництво напоїв і алкогольної продукції,
  • переробка овочів і фруктів.

Завдяки універсальній конструкції та широкому вибору доступних матеріалів ущільнень цей люк може також застосовуватися в таких галузях, як: 

  • біотехнологія, 
  • хімічна промисловість, 
  • косметична промисловість та близькі до неї сфери. 

Про продукцію Boyer

Продукція французького заводу Boyer гарантує найвищу якість виконання та тривалий термін служби. Увага до кожної деталі під час виробництва призводить до того, що ці люки вирізняються надзвичайно високою міцністю, зручністю експлуатації та естетичним зовнішнім виглядом.

 

Вони чудово підходять усюди, де необхідно застосувати продукт, що відповідає найвищим стандартам. Саме тому люки марки Boyer є одними з найпопулярніших у Європі.

Модель A (DN) [mm] C [mm] E [mm] B [mm] D [mm] Макс. [бар] Вага [kg]
P31-240 200 90 2 230 320 0.1 4.0
P31-340 300 90 2 230 420 0.1 5.0
P31-440 400 90 2 230 520 0.1 8.0
P31-540 499 90 2 230 619 0.1 9.0
P31-640 599 90 2 230 718 0.05 11.0

 

Parametry techniczne

Seria produktowaBoyer
KształtWłazy okrągłe
TypBezciśnieniowe
Wysokość kołnierza (w mm)90 mm
Grubość ścianki kołnierza (w mm)2.0 mm
Sposób otwieraniaNa zewnątrz
BranżaChemia, Produkcja spożywcza
Wymiarponiżej DN300, DN300 - DN500, DN501 - DN700
Sposób montażuw dachu zbiornika
Ciśnienieponiżej 0.5 bar
Podciśnienienie dotyczy
Certyfikat PEDnie
Rodzaj staliAISI 304/304L, AISI 316/316L
Materiał uszczelnieniaEPDM, NBR, Neopren, Silikon, Silikon (high temperature - do 250°C), Viton, Inny
Materiał pokrętłaTworzywo sztuczne, INOX

Używamy cookies

Używamy plików cookies aby ułatwić Ci korzystanie z naszych stron www, do celów statystycznych oraz reklamowych. Jeśli nie blokujesz tych plików, to zgadzasz się na ich użycie oraz zapisanie w pamięci Twojego urządzenia. Pamiętaj, że możesz samodzielnie zmienić ustawienia przeglądarki tak, aby zablokować zapisywanie plików cookies. Więcej informacji znajdziesz w naszej polityce prywatności.
skontaktuj się z nami