P31-200 (DN200-DN790)

  • Montaż w dachu zbiornika
  • Ciśnienie do 0.8 bar (w zależności od wersji)
  • Niezatrzymująca wody pokrywa wypukła
  • Pokrywa uchylna (do góry i na bok)
  • Właz z pokrywą aseptyczną
  • Uszczelka montowana na ramie
  • Materiał uszczelki: EPDM, neopren, silikon (również HT - high temperature), NBR, Viton i inne
  • Dostępne średnice: DN200 / DN300 / DN430 / DN500 / DN595 / DN790

Круглий люк з нержавіючої сталі Boyer seria P31-200

Серія охоплює моделі: P31-200, P31-300, P31-400, P31-500, P31-600, P31-800

Круглий люк Boyer P31-200 є найменшим люком у серії, яка загалом налічує шість позицій з діаметрами світлого отвору: 200, 300, 430, 500, 595 і 790 мм. Усі люки цієї серії оснащуються відкидною кришкою зі штифтом, що полегшує її зсув убік.

 

Така конструкція забезпечує швидкий і зручний доступ до внутрішньої частини резервуара. Складові елементи люків виготовляються з нержавіючої сталі марок AISI 304L та/або AISI 316L. Як круглий люк Boyer P31-200, так і інші моделі цієї серії належать до групи універсальних круглих люків, які широко застосовуються в харчовій промисловості та споріднених галузях.

Круглі люки P31-200 - застосування

Круглі люки серії P31-200 монтуються в різноманітних безнапірних резервуарах і технологічному обладнанні. Основні області застосування цього типу люка:

  • харчова та молочна промисловість,
  • виробництво напоїв і алкоголю,
  • переробка овочів і фруктів.

Завдяки універсальній конструкції та широкому вибору матеріалів ущільнень цей люк може також використовуватися в таких галузях, як: 

  • біотехнологія, 
  • хімічна промисловість, 
  • косметична промисловість та споріднені напрями. 

Про продукти Boyer

Продукція французького заводу Boyer гарантує найвищу якість виготовлення та тривалий термін служби. Увага до кожної деталі на всіх етапах виробництва призводить до того, що ці люки вирізняються надзвичайною міцністю, зручністю експлуатації та привабливим зовнішнім виглядом.

 

Вони чудово підходять для застосування там, де потрібен продукт з максимально високими стандартами. Саме з цієї причини люки марки Boyer є одними з найпопулярніших у Європі.

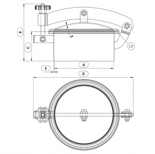
Модель A (DN) [mm] C [mm] E [mm] B [mm] D [mm] Макс. [бар] Вага [kg]
P31-200 200 100 3 195 338 0.8 5.0
P31-300 300 100 3 195 441 0.3 8.0
P31-400 430 100 3 195 575 0.2 11.0
P31-500 500 100 3 203 651 0.1 13.0
P31-600 595 100 3 235 734 0.05 15.0
P31-800 790 150 3 - - 0.0 17.0

 

Parametry techniczne

Seria produktowaBoyer
KształtWłazy okrągłe
TypBezciśnieniowe
Wysokość kołnierza (w mm)100-150 mm
Grubość ścianki kołnierza (w mm)3.0 mm
Sposób otwieraniaNa zewnątrz
BranżaChemia, Farmacja, Produkcja spożywcza
Wymiarponiżej DN300, DN300 - DN500, DN501 - DN700, powyżej DN700
Sposób montażuw dachu zbiornika
Ciśnienieponiżej 0.5 bar, 0.5 - 2.5 bar
Podciśnienienie dotyczy
Certyfikat PEDnie
Rodzaj staliAISI 304/304L, AISI 316/316L
Materiał uszczelnieniaEPDM, NBR, Neopren, Silikon, Silikon (high temperature - do 250°C), Viton, Inny
Materiał pokrętłaTworzywo sztuczne, INOX

Używamy cookies

Używamy plików cookies aby ułatwić Ci korzystanie z naszych stron www, do celów statystycznych oraz reklamowych. Jeśli nie blokujesz tych plików, to zgadzasz się na ich użycie oraz zapisanie w pamięci Twojego urządzenia. Pamiętaj, że możesz samodzielnie zmienić ustawienia przeglądarki tak, aby zablokować zapisywanie plików cookies. Więcej informacji znajdziesz w naszej polityce prywatności.
skontaktuj się z nami