A930 (DN150-DN600)

Wybierz wariant

  • Montaż w dachu zbiornika
  • Pokrywa uchylna z możliwością odsunięcia na bok
  • Wykonany ze stali nierdzewnej AISI 304L lub AISI 316L
  • Uszczelka montowana na ramie
  • Materiał uszczelki: EPDM, silikon, NBR lub Viton
  • Dostępne średnice: DN220 / DN300 / DN400 / DN500 / DN600

Круглий люк серії A930

Круглий люк серії A930 – це міцна конструкція, виготовлена з нержавіючої сталі AISI 304 або AISI 316L. Стандартно люк оснащується притискною ручкою з пластику, але додатково доступні ручки INOX та алюмінієві.


Люки цього типу виготовляються у двох версіях – з ущільненням на рамі (A930) або з ущільненням у кришці (A930B). Люк серії A930 монтується в даху резервуара з нержавіючої сталі. Кришка люка серії A930 відкривається догори з можливістю відведення вбік. Гладка, опукла поверхня не затримує воду.


Доступний широкий діапазон висот монтажних фланців, завдяки чому люк легко інтегрується в ізольовані резервуари з нержавіючої сталі.

Застосування круглого люка з нержавіючої сталі серії A930

Основний діапазон застосування:

  • харчова промисловість,
  • молочна галузь,
  • виробництво напоїв та спиртних продуктів.

Люк успішно застосовується також в промисловому не тисковому обладнанні, не пов’язаному безпосередньо з виробництвом харчових продуктів, наприклад, у хімічній промисловості чи енергетиці.

 

Загалом люк можна монтувати всюди, де його використання допускають параметри матеріалів, з яких він виготовлений.

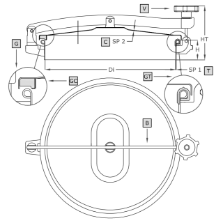
Модель DN [mm] Di [mm] HxSP1 [mm] HT [mm]* SP2 [mm] Макс. [bar]* Вага [kg]
A929 220 220

60x2**

100x2

150x2

200x2

250x2

150 1.5 0.04 3.0
A930 300 295 155 1.5 0.03 4.0
A932 400 395 160 1.5 0.02 5.2
A934 500 500 165 1.5 0.02 7.0
A935 600 600 170 1.5 0.01 9.5
A928B 150 150 140 1.5 0.04 2.3
A929B 220 220 145 1.5 0.04 3.5
A930B 300 295 150 1.5 0.03 4.3
A932B 400 395 155 1.5 0.02 6.0
A934B 500 500 160 1.5 0.02 7.7
A935B 600 600 165 1.5 0.01 10.3

*Для стандартного виконання (HxSP1 = 60x2 mm).

**Стандартне виконання.

Symbol Element
V ручка
C кришка
T фланець
B важіль
GC ущільнення в кришці
GT ущільнення в рамі

 

Parametry techniczne

Seria produktowaSeria A
KształtWłazy okrągłe
TypBezciśnieniowe
Wysokość kołnierza (w mm)60-250 mm
Grubość ścianki kołnierza (w mm)2.0 mm
Sposób otwieraniaNa zewnątrz
Wymiarponiżej DN300, DN300 - DN500, DN501 - DN700
Sposób montażuw dachu zbiornika
Ciśnienieponiżej 0.5 bar
Podciśnienienie dotyczy
Certyfikat PEDnie
Rodzaj staliAISI 304/304L, AISI 316/316L
Materiał uszczelnieniaEPDM, NBR, Neopren, Silikon, Viton
Materiał pokrętłaTworzywo sztuczne, INOX

Używamy cookies

Używamy plików cookies aby ułatwić Ci korzystanie z naszych stron www, do celów statystycznych oraz reklamowych. Jeśli nie blokujesz tych plików, to zgadzasz się na ich użycie oraz zapisanie w pamięci Twojego urządzenia. Pamiętaj, że możesz samodzielnie zmienić ustawienia przeglądarki tak, aby zablokować zapisywanie plików cookies. Więcej informacji znajdziesz w naszej polityce prywatności.
skontaktuj się z nami