A800 (DN300-DN420)

  • Montaż w poszyciu bocznym zbiornika
  • Pokrywa z jednopunktowym dociskiem
  • Wykonany ze stali nierdzewnej AISI 304L lub AISI 316L
  • Uszczelka montowana w pokrywie
  • Materiał uszczelki: EPDM, silikon, NBR lub Viton
  • Dostępne średnice: DN300 / DN380 / DN400 / DN420

Круглий люк серія A800

Круглий люк серії A800 – це міцна конструкція з нержавіючої сталі AISI 304/304L або AISI 316L. Стандартно люк оснащується великою притискною ручкою з пластика. Додатково доступні ручки-«метелики» INOX 10x10 для DN300 і 15x15 для діаметрів від DN380 до DN420.

 

Люк цього типу монтується у боковій обшивці резервуара з нержавіючої сталі. Особливо добре підходить для застосувань, де необхідне швидке спорожнення резервуара від вмісту.

 

Модель A800 залежно від діаметра постачається з двома типами кришок. У люках DN300 встановлюються гладкі кришки, тоді як у розмірах від DN380 до DN420 – кришки з рифленням. Для люків DN380–DN420 додатково можливе виконання фланця з листа товщиною 8 mm.

Застосування круглого люка з нержавіючої сталі серія A800

Основні напрями застосування:

  • виробництво та переробка харчових продуктів,
  • переробка овочів і фруктів,
  • молочне виробництво.

 Загалом, люк можна встановлювати скрізь, де його використання дозволяють параметри матеріалів, застосованих у конструкції.

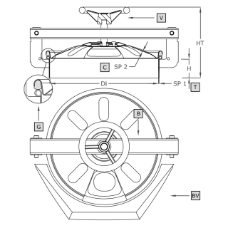
Модель DN [mm] Di [mm] HxSP1 [mm] HT [mm]* SP2 [mm] Макс. [бар]* Вага [kg]
A800 300 295

60x2**
100x2

175 1.0 0.5 5.0
A801 380 375

60x2**

100x2

60x8

100x8

230 1.2 0.7 7.6
A802 400 395 235 1.5 0.7 8.0
A803 420 415 245 1.5 0.7 8.2

*Для стандартного виконання (HxSP1 = 60x2 mm).

**Стандартне виконання.

Symbol Element
V ручка
C кришка
G ущільнення
T фланець
BV злив

 

Parametry techniczne

Seria produktowaSeria A
KształtWłazy okrągłe
TypCiśnieniowe
Wysokość kołnierza (w mm)60-100 mm
Grubość ścianki kołnierza (w mm)2.0-8.0 mm
Sposób otwieraniaNa zewnątrz
WymiarDN300 - DN500
Sposób montażuw poszyciu (na boku) zbiornika
Ciśnienie0.5 - 2.5 bar
Podciśnienienie dotyczy
Certyfikat PEDnie
Rodzaj staliAISI 304/304L, AISI 316/316L
Materiał uszczelnieniaEPDM, NBR, Neopren, Silikon, Viton
Materiał pokrętłaTworzywo sztuczne, INOX

Używamy cookies

Używamy plików cookies aby ułatwić Ci korzystanie z naszych stron www, do celów statystycznych oraz reklamowych. Jeśli nie blokujesz tych plików, to zgadzasz się na ich użycie oraz zapisanie w pamięci Twojego urządzenia. Pamiętaj, że możesz samodzielnie zmienić ustawienia przeglądarki tak, aby zablokować zapisywanie plików cookies. Więcej informacji znajdziesz w naszej polityce prywatności.
skontaktuj się z nami