A550 (DN300-DN600)

  • Montaż w dachu zbiornika
  • Ciśnienie do 1.8 bar (w zależności od wersji)
  • Otwierany na zewnątrz (pokrywa zdejmowana)
  • Uszczelka montowana w pokrywie
  • Dostępne średnice: DN300 / DN400 / DN500 / DN600

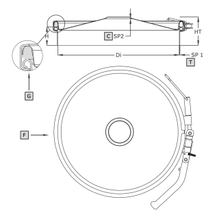
Круглий люк серія A550 (із затискачем clamp)

Круглий люк серії A550 виготовляється повністю з нержавіючої сталі AISI 304 або AISI 316L. Цю модель монтують у верхній частині нержавіючого резервуара. Кришка круглого люка серії A550 фіксується за допомогою обтискного хомута (закриття типу Clamp). Відпускання затискача Clamp і зняття хомута кріплення дає змогу повністю зняти кришку.

 

Доступний широкий діапазон висот монтажних фланців, завдяки чому люк легко інтегрується в ізольовані нержавіючі резервуари. Круглі люки clamp цієї серії встановлюють у нержавіючих резервуарах, призначених для зберігання різних видів рідких продуктів і сировини. 

Круглий люк серія A550 - застосування

Основна сфера застосування люка – харчова промисловість, молочна галузь, виробництво напоїв і алкоголю. Їх також успішно використовують у переробці овочів і фруктів, косметичній, біотехнологічній та хімічній промисловості.

 

Загалом його можна монтувати всюди, де параметри матеріалів, використаних у конструкції, дозволяють таке застосування.  

Модель DN [mm] Di [mm] HxSP1 [mm] HT [mm]* SP2 [mm] Макс. [бар]* Маса [kg]
A550 300 295

60x2**

100x2

150x2

200x2

250x2

80 1.0 1.8 4.0
A552 400 395 80 1.2 1.8 5.0
A554 500 500 85 1.2 1.3 6.5
A555 600 600 85 1.5 1.0 8.0

*Для стандартного виконання (HxSP1 = 60x2 mm).

**Стандартне виконання.

Parametry techniczne

Seria produktowaSeria A
KształtWłazy okrągłe
TypCiśnieniowe
Wysokość kołnierza (w mm)60-250 mm
Grubość ścianki kołnierza (w mm)2.0 mm
Sposób otwieraniaNa zewnątrz
BranżaChemia, Produkcja spożywcza
WymiarDN300 - DN500, DN501 - DN700
Sposób montażuw dachu zbiornika
Ciśnienie0.5 - 2.5 bar
Podciśnienienie dotyczy
Certyfikat PEDnie
Rodzaj staliAISI 304/304L, AISI 316/316L
Materiał uszczelnieniaEPDM, NBR, Neopren, Silikon, Viton
Materiał pokrętłaZamknięcie zaciskowe (clamp)

Używamy cookies

Używamy plików cookies aby ułatwić Ci korzystanie z naszych stron www, do celów statystycznych oraz reklamowych. Jeśli nie blokujesz tych plików, to zgadzasz się na ich użycie oraz zapisanie w pamięci Twojego urządzenia. Pamiętaj, że możesz samodzielnie zmienić ustawienia przeglądarki tak, aby zablokować zapisywanie plików cookies. Więcej informacji znajdziesz w naszej polityce prywatności.
skontaktuj się z nami