A520 (DN200-DN600)

  • Montaż w dachu zbiornika
  • Pokrywa uchylna z zawiasem i uchwytem
  • Wykonany ze stali nierdzewnej AISI 304L lub AISI 316L
  • Uszczelka montowana w pokrywie
  • Materiał uszczelki: EPDM, silikon, NBR lub Viton
  • Ciśnienie do 3.0 bar (w zależności od średnicy)
  • Podciśnienie (próżnia): -0.6 bar / -0.5 bar (w zależności od średnicy)
  • Dostępne średnice: DN200 / DN300 / DN380 / DN400 / DN420 / DN500 / DN600

Круглий люк серії A520

Круглий люк серії A520 – це надзвичайно універсальний напірний люк, який залежно від діаметра забезпечує робочий тиск від -0.5 bar (розрідження) до +3.0 bar.

 

Він чудово підходить для використання в широкому діапазоні напірних резервуарів, а також у промисловому технологічному та процесному обладнанні.

 

Стандартно такий круглий люк виготовляють із нержавіючої сталі AISI 304L. За запитом можливе виконання зі сталі марки AISI 316L. Базову версію люка оснащують фіксувальними ручками з пластику та ущільненням з EPDM (FDA). Як опція доступні ручки INOX та ущільнення з інших еластомерів залежно від властивостей робочого середовища.

 

Ручка, змонтована на кришці, полегшує її піднімання, а завіса утримує кришку в стабільному відкритому положенні.

 

Модель A520 встановлюють у даху нержавіючого напірного резервуара. Застосування електролітичної ізоляції дає змогу монтувати люк у резервуарах із чорної сталі. Модель без сертифікації P.E.D.

 

Кришки люків серії A520 діаметром DN200/300/500/600 мають гладку поверхню. Діаметри DN380/400/420 комплектуються кришками з рифленнями.

 

Застосування круглого люка з нержавіючої сталі серії A520

Приклади застосування, в яких люки з нержавіючої сталі серії A520 показують себе найкраще:

  • напірні резервуари з нержавіючої сталі різного призначення,
  • процесне обладнання в харчовій промисловості, виробництві напоїв та алкоголю,
  • промислові камери та резервуари, в яких наявне розрідження,
  • промислове процесне й технологічне обладнання,
  • усі типи застосувань, де потрібна підвищена стійкість до тиску та корозії.
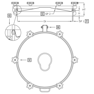
Модель DN [mm] Di [mm] HxSP1 [mm] HT [mm]* SP2 [mm] Ручки Макс. [бар]* Вага [kg]
A519 200 195

60x8**

100x8

125 1.0 4 +3.0/-0.5 7.0
A520 300 295 125 1.0 4 +3.0/-0.5 9.0
A521 380 375 120 1.0 4 +2.0/-0.6 10.5
A522 400 395 125 1.2 6 +2.0/-0.6 11.8
A523 420 415 125 1.2 6 +2.0/-0.6 13.0
A524 500 500 125 1.2 6 +1.3/-0.5 14.5
A525 600 600 125 1.5 6 +1.0/-0.5 18.5

*Для стандартного виконання (HxSP1 = 60x8 mm).

**Стандартне виконання.

Символ Елемент
V ручка
C кришка
G ущільнення
T фланець
B важіль

 

Parametry techniczne

Seria produktowaSeria A
KształtWłazy okrągłe
TypCiśnieniowe
Wysokość kołnierza (w mm)60-100 mm
Grubość ścianki kołnierza (w mm)8.0 mm
Sposób otwieraniaNa zewnątrz
BranżaChemia, Produkcja spożywcza
Wymiarponiżej DN300, DN300 - DN500, DN501 - DN700
Sposób montażuw dachu zbiornika
Ciśnienie0.5 - 2.5 bar, 2.51 - 4.5 bar
Podciśnieniedo -0.5 bar, od -0.51 do -1.0 bar
Certyfikat PEDnie
Rodzaj staliAISI 304/304L, AISI 316/316L
Materiał uszczelnieniaEPDM, NBR, Neopren, Silikon, Viton
Materiał pokrętłaTworzywo sztuczne, INOX

Używamy cookies

Używamy plików cookies aby ułatwić Ci korzystanie z naszych stron www, do celów statystycznych oraz reklamowych. Jeśli nie blokujesz tych plików, to zgadzasz się na ich użycie oraz zapisanie w pamięci Twojego urządzenia. Pamiętaj, że możesz samodzielnie zmienić ustawienia przeglądarki tak, aby zablokować zapisywanie plików cookies. Więcej informacji znajdziesz w naszej polityce prywatności.
skontaktuj się z nami