K-MC (DN600-DN800)

  • Ciśnienie do 6.0 bar (w zależności od wersji)
  • Montaż w bocznym poszyciu zbiornika ciśnieniowego
  • Otwierany do wewnątrz
  • Wykonany ze stali nierdzewnej AISI 316Ti (części zewnętrzne: AISI 304/AISI 321, aluminium)
  • Materiał uszczelki: NBR lub Viton
  • Dostępne średnice: DN600 / DN800

Круглий люк з нержавіючої сталі тисковий K-MC (що відкривається всередину)

Тисковий люк K-MC (виготовляється у версіях DN600 та DN800) – це спеціалізована конструкція, розроблена для монтажу в сталевих або цементних резервуарах для води.

 

Доступні виконання для двох діапазонів тиску:

  • до 35 mH2O,
  • до 60 mH2O.

Важливо, що всі елементи люка, які мають безпосередній контакт із робочим середовищем, виготовлено з кислотостійкої нержавіючої сталі марки AISI 316Ti (1.4571). Таке рішення суттєво розширює можливості застосування люка в установках, де потрібна стійкість до корозійного впливу багатьох хімічних або органічних речовин.

 

Залежно від версії люк можна успішно монтувати як у горизонтальному, так і у вертикальному положенні. Крім того, фланець круглого люка (за потреби) формується під час виробництва таким чином, щоб його можна було встановлювати як на плоскій, так і на опуклій поверхні.

Круглий люк K-MC – застосування

Основні сфери застосування люків цієї серії такі:

  • нержавіючі та цементні резервуари,
  • камери, що експлуатуються в промислових умовах,
  • різноманітне процесове обладнання.

Завдяки великому отвору, який утворюється після відкривання кришки, тисковий люк K-MC (DN600/DN800) забезпечує безпечний доступ до внутрішнього простору резервуара або пристрою для обслуговуючого персоналу.

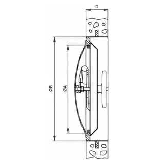
Модель Діаметр A (DN)
[мм]
Діаметр B
[мм]
C
[мм]
Вага
[кг]
Макс.
[бар]
K-MC600-210 600 708 210 ~60 3.5
K-MC600-240 600 708 240 ~67 6.0
K-MC800-250 800 908 250 ~76 3.5
K-MC800-270 800 908 270 ~92 6.0

*У разі замовлення версії, призначеної для монтажу в цементній основі, необхідно вказати розмір "D". 

Parametry techniczne

Seria produktowaSeria K
KształtWłazy okrągłe
Wysokość kołnierza (w mm)150 mm
Grubość ścianki kołnierza (w mm)4.0 mm
Sposób otwieraniaDo wewnątrz
WymiarDN501 - DN700, powyżej DN700
Sposób montażuw poszyciu (na boku) zbiornika
Ciśnienie2.51 - 4.5 bar, 4.51 - 6.5 bar
Podciśnienienie dotyczy
Certyfikat PEDnie
Rodzaj staliInny
Materiał uszczelnieniaNBR, Viton
Materiał pokrętłaInny

Używamy cookies

Używamy plików cookies aby ułatwić Ci korzystanie z naszych stron www, do celów statystycznych oraz reklamowych. Jeśli nie blokujesz tych plików, to zgadzasz się na ich użycie oraz zapisanie w pamięci Twojego urządzenia. Pamiętaj, że możesz samodzielnie zmienić ustawienia przeglądarki tak, aby zablokować zapisywanie plików cookies. Więcej informacji znajdziesz w naszej polityce prywatności.
skontaktuj się z nami