BP420-490 (DN427-DN495)

  • Montaż w dachu zbiornika
  • Otwierany na zewnątrz (pokrywa na zawiasie)
  • Właz hermetyczny z opaską zaciskową (clamp)
  • Możliwość wykonania wersji z kołnierzem o wysokości do 1000 mm (standard 100 mm)
  • Materiał uszczelki: EPDM, NBR
  • Dostępne średnice: DN427 / DN495

Круглий люк серії BP420-490 (із затискачем clamp)

Круглі люки Clamp BP420 (DN427) та BP490 (DN495) виготовляються з нержавіючої сталі марок AISI 304 або AISI 316L. Вони мають широке застосування в резервуарах з нержавіючої сталі, особливо тих, що використовуються в харчовій промисловості, а також у хімічній, біотехнологічній та споріднених галузях.

 

Люки цієї серії закриваються за допомогою затискного хомута (clamp) з фіксатором у вигляді шплінта, який запобігає мимовільному розгерметизуванню кришки.

 

Кришки люків стандартно поліруються (на вимогу може поліруватися або сатинуватися вся поверхня). 

 

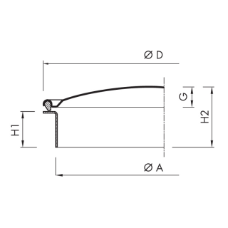
За замовчуванням люки BP420 і BP490 мають фланець (H) висотою 100 mm. Можливе збільшення висоти фланця до 1000 mm за індивідуальним замовленням. 

Круглі люки серії BP420 та BP490 - застосування

Основна сфера застосування люків — це харчова промисловість, молочна галузь, виробництво напоїв та алкоголю. Також вони ефективно використовуються у переробці овочів і фруктів, косметичній, біотехнологічній та хімічній промисловості.

 

Завдяки використанню в люках затискного замикання (clamp), вони чудово підходять також для різноманітних палетних резервуарів та обладнання, у яких є потреба в частому та зручному огляді внутрішнього простору. 

 

Загалом їх можна встановлювати всюди, де параметри матеріалів, з яких вони виготовлені, дозволяють таке застосування.  

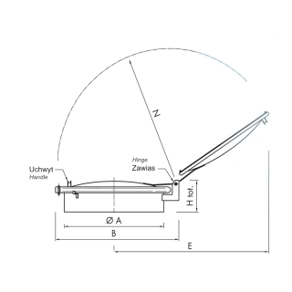
Модель Діаметр A
[mm]
B
[mm]
Діаметр C
[mm]
Діаметр D
[mm]
E
[mm]
F
[mm]
G
[mm]
M
[mm]
N
[mm]
H1
[mm]
H2
[mm]
Htot
[mm]
Макс. [бар]
[bar]
Вага
[kg]*
BP420 427 540 485 462 570 440 50 210 490 50 104 115 1.4/-0.9 8.0
BP490 495 610 540 532 575 475 65 210 560 50 119 135 1.4/-0.9 10.0

*Для стандартного виконання (H1 = 100 mm).

 

Товщина стінки рами (фланця): 3 mm

Товщина кришки: 2 mm

Parametry techniczne

Seria produktowaSeria B
KształtWłazy okrągłe
TypCiśnieniowe
Wysokość kołnierza (w mm)100-500 mm
Grubość ścianki kołnierza (w mm)3.0 mm
Sposób otwieraniaNa zewnątrz
BranżaChemia, Produkcja spożywcza
WymiarDN300 - DN500
Sposób montażuw dachu zbiornika
Ciśnienie0.5 - 2.5 bar
Podciśnienieod -0.51 do -1.0 bar
Certyfikat PEDnie
Rodzaj staliAISI 304/304L, AISI 316/316L
Materiał uszczelnieniaEPDM, NBR
Materiał pokrętłaZamknięcie zaciskowe (clamp)

Używamy cookies

Używamy plików cookies aby ułatwić Ci korzystanie z naszych stron www, do celów statystycznych oraz reklamowych. Jeśli nie blokujesz tych plików, to zgadzasz się na ich użycie oraz zapisanie w pamięci Twojego urządzenia. Pamiętaj, że możesz samodzielnie zmienić ustawienia przeglądarki tak, aby zablokować zapisywanie plików cookies. Więcej informacji znajdziesz w naszej polityce prywatności.
skontaktuj się z nami