BP405 (DN410)

  • Montaż w dachu zbiornika
  • Niezatrzymująca wody pokrywa wypukła
  • Otwierany na zewnątrz (pokrywa na zawiasie)
  • Właz hermetyczny z opaską zaciskową (clamp)
  • Możliwość wykonania wersji z kołnierzem o wysokości do 1000 mm (standard 100 mm)
  • Materiał uszczelki: EPDM, NBR
  • Dostępna wersja bez zawiasu (BP405SC)

Круглий люк серії BP405 (із затискачем clamp)

Круглий люк Clamp BP405 виготовляється з нержавіючої сталі марок AISI 304 або AISI 316L. Він має широкий спектр застосувань у резервуарах з нержавіючої сталі, особливо в обладнанні для харчової промисловості, а також у хімічній, біотехнологічній та суміжних галузях.

 

Проста й надійна конструкція гарантує зручність експлуатації навіть за умови частого відкривання та закривання кришки. Люк замикається за допомогою затискного кільця (clamp) із фіксатором у вигляді шплінта, який запобігає мимовільній розгерметизації кришки.

 

Люк виготовляється у двох версіях: 

  • BP405 (версія з завісою),
  • BP405SC (версія без завіси).

Кришка люка стандартно полірується (за запитом можна відполірувати або засатинувати всю поверхню люка). 

 

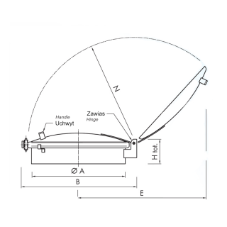
За замовчуванням люки BP405 і BP405SC оснащені коміром (H) висотою 100 mm. За спеціальним замовленням можливе збільшення висоти коміра до 1000 mm. 

Круглий люк серії BP405 і BP405SC - застосування

Основна сфера застосування люка — це харчова промисловість, молочна галузь, виробництво напоїв та алкогольних продуктів. Їх також успішно використовують у переробленні овочів і фруктів, косметичній, біотехнологічній та хімічній промисловості.

 

Завдяки використанню в люку затискного замикання (clamp), він відмінно підходить для різноманітних палетних резервуарів та установок, у яких необхідна часта й оперативна візуальна інспекція внутрішнього простору. 

 

Загалом його можна монтувати всюди, де це допускають параметри матеріалів, застосованих у конструкції люка.  

Модель DN (A)
[mm]
B
[mm]
Діаметр C
[mm]
Діаметр D
[mm]
E
[mm]
F
[mm]
G
[mm]
M
[mm]
N
[mm]
H1
[mm]
H2
[mm]
H (tot.)
[mm]
Макс.
[bar]
Вага
[kg]*
BP405 410 540 465 457 580 490 60 260 500 100 160 110 0.25 11.0
BP405SC 410 - 465 457 - 490 60 260 - 100 160 - 0.25 10.0

*Для стандартного виконання (H1 = 100 mm).

 

Товщина стінки рами (коміра): 3 mm

Товщина кришки: 2 mm

Parametry techniczne

Seria produktowaSeria B
KształtWłazy okrągłe
TypBezciśnieniowe
Wysokość kołnierza (w mm)100-500 mm
Grubość ścianki kołnierza (w mm)3.0 mm
Sposób otwieraniaNa zewnątrz
WymiarDN300 - DN500
Sposób montażuw dachu zbiornika
Ciśnienieponiżej 0.5 bar
Podciśnienienie dotyczy
Certyfikat PEDnie
Rodzaj staliAISI 304/304L, AISI 316/316L
Materiał uszczelnieniaEPDM, NBR
Materiał pokrętłaZamknięcie zaciskowe (clamp)

Używamy cookies

Używamy plików cookies aby ułatwić Ci korzystanie z naszych stron www, do celów statystycznych oraz reklamowych. Jeśli nie blokujesz tych plików, to zgadzasz się na ich użycie oraz zapisanie w pamięci Twojego urządzenia. Pamiętaj, że możesz samodzielnie zmienić ustawienia przeglądarki tak, aby zablokować zapisywanie plików cookies. Więcej informacji znajdziesz w naszej polityce prywatności.
skontaktuj się z nami