B150SC (DN154-DN495)

  • Montaż w dachu zbiornika
  • Całkowicie zdejmowana, polerowana pokrywa (bez zawiasu)
  • Właz hermetyczny z opaską zaciskową (clamp)
  • Możliwość wykonania wersji z kołnierzem o wysokości do 1000 mm (standard 100 mm)
  • Materiał uszczelki: EPDM, NBR
  • Dostępne średnice: DN154 / DN214 / DN316 / DN386 / DN427 / DN495

Круглий люк серія B150SC (з затискачем clamp)

Круглий люк із затискним замиканням clamp B150SC виготовляється з нержавіючої сталі марок AISI 304 або AISI 316L. Він має широке застосування в резервуарах з нержавіючої сталі, особливо в тих, що використовуються в харчовій промисловості, а також у хімічній, біотехнологічній та споріднених галузях.

 

Люки серії B150SC випускаються в різних розмірах від DN154 до DN495 (деталі в закладці "креслення та розміри").

 

Характерною особливістю люків B150SC є повністю знімна кришка.

 

Проста й міцна конструкція забезпечує зручність експлуатації навіть при частому відкриванні/закриванні кришки. Люк зачиняється за допомогою стяжної обойми (clamp) із фіксатором у вигляді шплінта, який запобігає мимовільній втраті герметичності кришки.

 

Кришка люка стандартно полірується (за запитом може бути відполірована або сатинована вся поверхня люка). 

 

Типово люки серії B150SC мають фланець (H) висотою 100 mm. За спеціальним замовленням можливе збільшення висоти фланця до 1000 mm. 

Круглі люки серія B150SC - застосування

Основна сфера застосування люків — це харчова промисловість, молочна галузь, виробництво напоїв і алкоголю. Їх також ефективно використовують у переробці овочів і фруктів, у косметичній, біотехнологічній та хімічній промисловості.

 

Завдяки використанню в люках затискного замикання (clamp), вони відмінно підходять і для різноманітних палетних резервуарів та пристроїв, у яких необхідна часта й швидка інспекція внутрішнього простору. 

 

Загалом їх можна монтувати всюди, де застосування допускають параметри матеріалів, використаних для їхньої конструкції.  

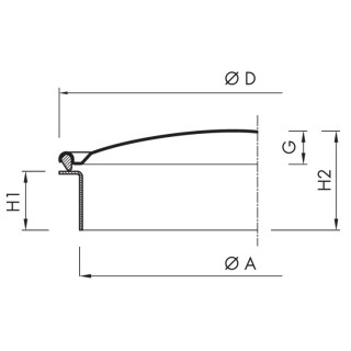
Модель DN (Діаметр A)
[mm]
B
[mm]
Діаметр C
[mm]
Діаметр D
[mm]
F
[mm]
G
[mm]
M
[mm]
H1
[mm]
H2
[mm]
Макс.
[bar]
Маса
[kg]*
B150SC 154 190 190 182 270 20 180 50 74 4.1/-0.9 1.5
B210SC 214 255 255 242 320 20 200 50 74 3.0/-0.9 2.0
B310SC 316 355 355 342 370 30 210 50 84 1.9/-0.9 2.5
B380SC 386 425 425 412 410 42 210 50 96 1.6/-0.9 4.0
B420SC 427 485 485 462 440 50 210 50 104 1.4/-0.9 5.0
B490SC 495 540 540 532 475 65 210 50 119 1.4/-0.9 6.0

*Для стандартного виконання (H1 = 100 mm).

 

Товщина стінки рами (фланця): 2 mm

Товщина кришки: 1.5 mm

Parametry techniczne

Seria produktowaSeria B
KształtWłazy okrągłe
TypCiśnieniowe
Wysokość kołnierza (w mm)100-500 mm
Grubość ścianki kołnierza (w mm)2.0 mm
Sposób otwieraniaNa zewnątrz
BranżaChemia, Produkcja spożywcza
Wymiarponiżej DN300, DN300 - DN500
Sposób montażuw dachu zbiornika
Ciśnienie0.5 - 2.5 bar, 2.51 - 4.5 bar
Podciśnienieod -0.51 do -1.0 bar
Certyfikat PEDnie
Rodzaj staliAISI 304/304L, AISI 316/316L
Materiał uszczelnieniaEPDM, NBR
Materiał pokrętłaZamknięcie zaciskowe (clamp)

Używamy cookies

Używamy plików cookies aby ułatwić Ci korzystanie z naszych stron www, do celów statystycznych oraz reklamowych. Jeśli nie blokujesz tych plików, to zgadzasz się na ich użycie oraz zapisanie w pamięci Twojego urządzenia. Pamiętaj, że możesz samodzielnie zmienić ustawienia przeglądarki tak, aby zablokować zapisywanie plików cookies. Więcej informacji znajdziesz w naszej polityce prywatności.
skontaktuj się z nami