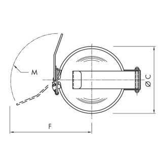
B150 (DN154-DN495)

  • Montaż w dachu zbiornika
  • Otwierany na zewnątrz (pokrywa na zawiasie)
  • Właz hermetyczny z opaską zaciskową (clamp)
  • Możliwość wykonania wersji z kołnierzem o wysokości do 1000 mm (standard 100 mm)
  • Materiał uszczelki: EPDM, NBR
  • Dostępne średnice: DN154 / DN214 / DN316 / DN386 / DN427 / DN495

Круглий люк серія B150 (із затискачем clamp)

Круглий люк із затискним замиканням clamp B150 виготовляється з нержавіючих сталей марок AISI 304 або AISI 316L. Він має широкий спектр застосування в резервуарах з нержавіючої сталі, особливо в тих, що використовуються в харчовій, хімічній, біотехнологічній та суміжних галузях промисловості.

 

Люки серії B150 випускаються в різних розмірах від DN154 до DN495 (деталі в закладці "креслення та розміри"). 

 

Проста й надійна конструкція забезпечує зручність експлуатації навіть за умови частого відкривання/закривання кришки. Люк зачиняється за допомогою затискного хомута (clamp) із фіксатором у вигляді шплінта, який запобігає мимовільному розгерметизуванню кришки.

 

Кришка люка стандартно полірується (на запит може бути відполірована або сатинована вся поверхня люка). 

 

За замовчуванням люки серії B150 мають комір (H) висотою 100 mm. Можливе збільшення висоти коміра до 1000 mm за індивідуальним замовленням. 

Круглі люки серія B150 - застосування

Основна сфера застосування люків — це харчова промисловість, молочна галузь, виробництво напоїв та алкогольної продукції. Також вони добре зарекомендували себе в переробці овочів і фруктів, косметичній, біотехнологічній та хімічній промисловості.

 

Завдяки використанню в люках затискного замикання (clamp) вони відмінно підходять і для різноманітних палетних резервуарів та пристроїв, у яких необхідна часта й оперативна інспекція внутрішнього простору. 

 

Загалом їх можна монтувати всюди, де параметри матеріалів, використаних у конструкції, дозволяють таке застосування.  

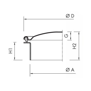
Модель DN (A)
[mm]
B
[mm]
C
[mm]
D
[mm]
E
[mm]
F
[mm]
G
[mm]
M
[mm]
N
[mm]
H1
[mm]
H2
[mm]
H (tot.)
[mm]
MAX
[bar]
Вага
[kg]*
B150 154 255 190 182 290 270 20 180 215 50 74 107 4.1/-0.9 2.0
B210 214 310 255 242 300 320 20 200 270 50 74 90 3.0/-0.9 2.5
B310 316 420 355 342 490 370 30 210 375 50 84 120 1.9/-0.9 3.0
B380 386 490 425 412 485 410 42 210 450 50 96 115 1.6/-0.9 5.0
B420 427 540 485 462 570 440 50 210 490 50 104 115 1.4/-0.9 6.5
B490 495 610 540 532 575 475 65 210 560 50 119 135 1.4/-0.9 7.0

*Для стандартного виконання (H1 = 100 mm).

 

Товщина стінки рами (коміра): 2 mm

Товщина кришки: 1.5 mm

Parametry techniczne

Seria produktowaSeria B
KształtWłazy okrągłe
TypCiśnieniowe
Wysokość kołnierza (w mm)100-500 mm
Grubość ścianki kołnierza (w mm)2.0 mm
Sposób otwieraniaNa zewnątrz
Wymiarponiżej DN300, DN300 - DN500
Sposób montażuw dachu zbiornika
Ciśnienie0.5 - 2.5 bar, 2.51 - 4.5 bar
Podciśnienieod -0.51 do -1.0 bar
Certyfikat PEDnie
Rodzaj staliAISI 304/304L, AISI 316/316L
Materiał uszczelnieniaEPDM, NBR
Materiał pokrętłaZamknięcie zaciskowe (clamp)

Używamy cookies

Używamy plików cookies aby ułatwić Ci korzystanie z naszych stron www, do celów statystycznych oraz reklamowych. Jeśli nie blokujesz tych plików, to zgadzasz się na ich użycie oraz zapisanie w pamięci Twojego urządzenia. Pamiętaj, że możesz samodzielnie zmienić ustawienia przeglądarki tak, aby zablokować zapisywanie plików cookies. Więcej informacji znajdziesz w naszej polityce prywatności.
skontaktuj się z nami